全球最实用的IT互联网信息网站!
AI人工智能P2P分享&下载搜索网页发布信息网站地图
LED光源在投影机市场前景的浅析
阅读全文2010-06-04
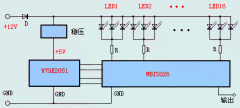
LED显示屏驱动芯片应用及发展
阅读全文2010-06-03
PPTC保护元件可提高LED的性能和寿命
四倍频细分电路 (含波形图)
阅读全文2010-06-02
热/冷因数和LED效能的关系
LM324设计的LED电平指示器电路
阅读全文2010-06-01
模拟流星雨LED控制电路设计
阅读全文2010-05-30
霓虹灯与LED应用于装饰照明方面的比较
阅读全文2010-05-28
用创新陶瓷方法简化LED散热设计
热处理实现高效能LED技术
阅读全文2010-05-25
TÜV莱茵为京东方液晶显示面板颁发碳足迹
三星显示与杜比携手推进车载OLED显示技术
浅谈显示屏的接口类型
苹果Vision Pro头显设备12月17日在中国台湾
CPU | 内存 | 硬盘 | 显卡 | 显示器 | 主板 | 电源 | 键鼠 | 网站地图
Copyright © 2025-2035 诺佳网 版权所有 备案号:赣ICP备2025066733号 本站资料均来源互联网收集整理,作品版权归作者所有,如果侵犯了您的版权,请跟我们联系。