全球最实用的IT互联网信息网站!
AI人工智能P2P分享&下载搜索网页发布信息网站地图
如何减少高输出功率LED势阱/势垒中的极化失配
阅读全文2010-04-24
随动转向大灯&侧向辅助灯解析
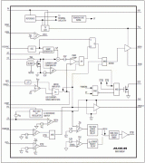
基于MAX16834大功率高亮HB LED驱动方案
LED光源产品概述
TFT LCD显示器的驱动原理
阅读全文2010-04-23
白光LED的基础知识与驱动(二)
阅读全文2010-04-22
白光LED的基础知识与驱动
小巧且具较宽输入电压LM2842的LED照明
根据VIPer17H设计无电解电容LED驱动器策略
省电、高亮度LED需要高性能LED驱动器
TÜV莱茵为京东方液晶显示面板颁发碳足迹
三星显示与杜比携手推进车载OLED显示技术
浅谈显示屏的接口类型
苹果Vision Pro头显设备12月17日在中国台湾
CPU | 内存 | 硬盘 | 显卡 | 显示器 | 主板 | 电源 | 键鼠 | 网站地图
Copyright © 2025-2035 诺佳网 版权所有 备案号:赣ICP备2025066733号 本站资料均来源互联网收集整理,作品版权归作者所有,如果侵犯了您的版权,请跟我们联系。