全球最实用的IT互联网信息网站!
AI人工智能P2P分享&下载搜索网页发布信息网站地图
高功率恒光控制电路的制作原理
阅读全文2009-12-25
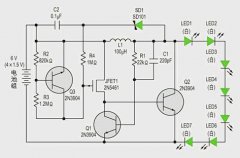
用电池驱动七个白光LED电路的设计
超高亮LED的驱动电路设计方案
手摇式自发电手电筒电路原理分析
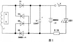
用一节电池点亮超高亮LED的设计及制作
如何DIY一个大功率白光LED驱动
白光LED和其他光源的区别
黑电:节能、互联、3D指引平板电视技术方向
阅读全文2009-12-24
LG携ST合作发布先进的液晶电视接口标准
CF卡在DM642基便携式数字视频系统中的应用
TÜV莱茵为京东方液晶显示面板颁发碳足迹
三星显示与杜比携手推进车载OLED显示技术
浅谈显示屏的接口类型
苹果Vision Pro头显设备12月17日在中国台湾
CPU | 内存 | 硬盘 | 显卡 | 显示器 | 主板 | 电源 | 键鼠 | 网站地图
Copyright © 2025-2035 诺佳网 版权所有 备案号:赣ICP备2025066733号 本站资料均来源互联网收集整理,作品版权归作者所有,如果侵犯了您的版权,请跟我们联系。