全球最实用的IT互联网信息网站!
AI人工智能P2P分享&下载搜索网页发布信息网站地图
光电开关保护电路
阅读全文2007-08-17
多通道红外遥控开头电路
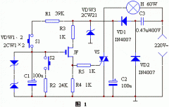
安全信号灯闪烁光控电路(220V输入,灯闪闪发光)
路灯光控定时电路
光控串联开关电路
光照度为1000LX最大负载电流可达16A的光电开关电
交流电路中的光电开头电路
基于MAX1968的LD自动温度控制系统设计(TEC驱动芯片
阅读全文2007-08-15
使用单芯片步进电机控制器集成电路能够使自适
键控式调光台灯电路
阅读全文2007-06-20
TÜV莱茵为京东方液晶显示面板颁发碳足迹
三星显示与杜比携手推进车载OLED显示技术
浅谈显示屏的接口类型
苹果Vision Pro头显设备12月17日在中国台湾
CPU | 内存 | 硬盘 | 显卡 | 显示器 | 主板 | 电源 | 键鼠 | 网站地图
Copyright © 2025-2035 诺佳网 版权所有 备案号:赣ICP备2025066733号 本站资料均来源互联网收集整理,作品版权归作者所有,如果侵犯了您的版权,请跟我们联系。