时间:2025-09-19 18:00
人气:
作者:admin
当下,血糖监测已成为糖尿病患者日常健康管理的重要环节。随着技术的不断进步,消费者对血糖仪的期待也日益提升,不仅要求测量精准,更希望其操作简便、便于携带,以满足随时随地精准监测血糖的需求。
低功耗和小型化是血糖仪的关键要素,其设计直接关系到产品的续航能力、便携性及用户体验。东芝为血糖仪设计所需的产品提供选型支持,包括适用于电源、浪涌电压保护、传感器信号输入等的各种半导体器件,以及实用的电路配置示例,助力血糖仪设计变得更加简单高效。

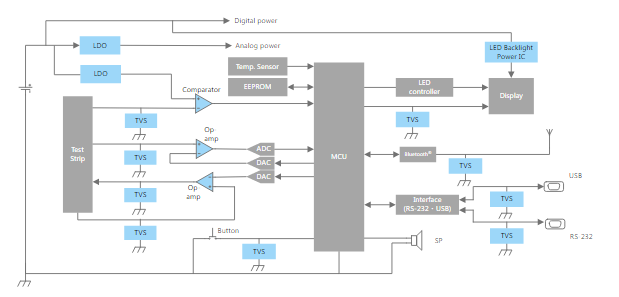
总体框图
东芝的血糖仪设计方案涵盖多个关键模块,主要包括ESD保护、MCU电源以及传感器电路等部分。
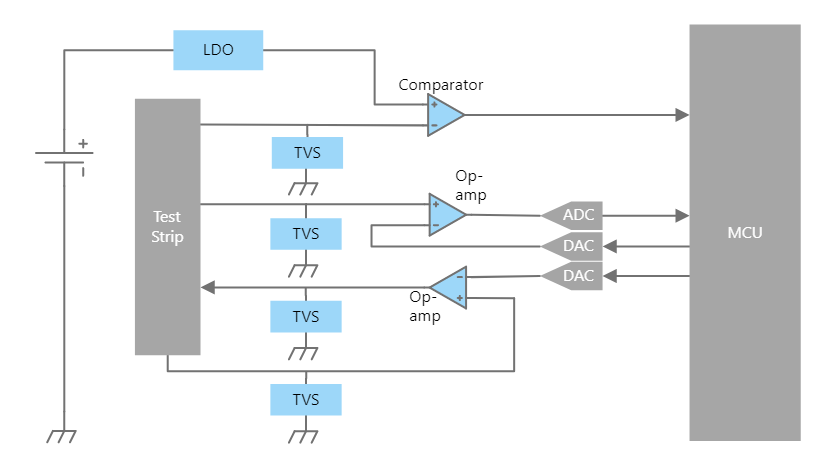
在ESD保护部分,通过TVS二极管对开关按钮和显示器等信号线路进行保护。东芝TVS二极管有众多型号可供挑选,例如DF2B7ASL、DF2B5PCT、DF2B7PCT和DF2B7AFU等。这些器件的VESD(最大值)和IR(最大值)参数一致,均为±30kV和0.1µA。不过,其Rdyn(典型值)和CT(典型值)存在一些差异,前者分别为0.2Ω和0.1Ω,后者分别为8.5pF、41pF和45pF。
以DF2B7ASL为例,它能有效保护移动设备接口等半导体器件免受静电与噪声干扰。其反向特性带来低动态电阻与出色的保护性能,且采用超紧凑封装(0.62mmm×0.32mm),契合小尺寸应用需求。

ESD保护
在MCU和存储器电源电路中,东芝小型表面贴装LDO稳压器有多个系列可选。其中,TCR15AG、TCR13AG、TCR8BM和TCR5BM系列最大输出电流(IOUT)在500mA至1500mA,输出电压(VOUT)范围为0.55V到3.6V。另外还有几个系列,最大输出电流在200mA至500mA,输出电压范围是0.9V到5.0V。
以TCR15AG为例,它是1.5A CMOS超高纹波抑制比稳压器,具备开/关控制输入,拥有超低压差、低浪涌电流、快速负载瞬态响应等特性,还具备过流保护、热关机、欠压锁定和自动放电等功能,且采用超WCSP6F小型封装(0.8mm×1.2mm,厚度最大0.33mm)。它可使用小型陶瓷输入和输出电容器,特别适合对板组件密度要求高的便携式应用。

MCU电源
在生物电阻抗测量传感器电路信号处理中,东芝TC75S67TU低噪声运算放大器具有显著优势。其超低噪声特性尤为突出,在电源电压(VDD)2.5V典型工作条件下,输入噪声电压低至6Nv/√Hz(典型值),能有效降低噪声干扰,提高信号质量,满足生物电阻抗测量对信号精度的要求。同时,它具备低电流能力,在VDD=2.5V典型工况下,工作电流仅为430μA,有助于延长电池续航,适合便携式设备。其超紧凑封装可节省电路空间,便于集成到小型化产品中。

传感器电路
东芝TC75S70L6X是一款CMOS输入/输出全摆幅单比较器,具备显著的低功耗和小型化优势。其工作电压范围为VDD=1.3V至5.5V,VDD=1.5V条件下,电源电流低至IDD=18µA(典型值),适合对能耗敏感的应用场景。其输出电路采用推挽结构,可提升驱动能力和信号完整性。它采用MP6C封装,尺寸仅为1.0mm×1.45mm,厚度最大0.55mm,超小体积使其特别适用于高密度组装设备。
本解决方案为工程师朋友开辟了一条快速设计血糖仪的便捷之路。想要深入了解东芝更多极具参考价值的设计方案,就赶紧关注起来吧!
关于东芝电子元件及存储装置株式会社
东芝电子元件及存储装置株式会社是先进的半导体和存储解决方案的领先供应商,公司累积了半个多世纪的经验和创新,为客户和合作伙伴提供分立半导体、系统LSI和HDD领域的杰出解决方案。
东芝电子元件及存储装置株式会社十分注重与客户的密切协作,旨在促进价值共创,共同开拓新市场,期待为世界各地的人们建设更美好的未来并做出贡献。
下一篇:高速吹风机,IPM是刚需