时间:2024-12-05 09:37
人气:
作者:admin
芯佰微Corebai
随着科技的飞速发展,生物医学领域对于精确高效的生物电势测量技术的需求日益迫切。脑电图(EEG)和心电图(ECG)等生物电势测量技术,在神经系统疾病诊断、心脏健康监测等方面扮演着举足轻重的角色。然而,传统的模数转换器(ADC)在处理生物电势信号时,常面临噪声干扰大、分辨率不足、功耗过高等挑战,从而限制了生物电势测量技术的进一步发展。
芯佰微电子敏锐捕捉到这一市场痛点,凭借其深厚的模拟及混合信号集成电路技术底蕴和创新能力,匠心打造了CBM24AD99Q模数转换器。这款产品的问世,旨在为生物电势测量领域提供一种高性能、低噪声、高集成度的解决方案,推动生物医学工程技术迈向新的高度,为人类健康事业添砖加瓦。
01
芯佰微 CBM24AD99Q
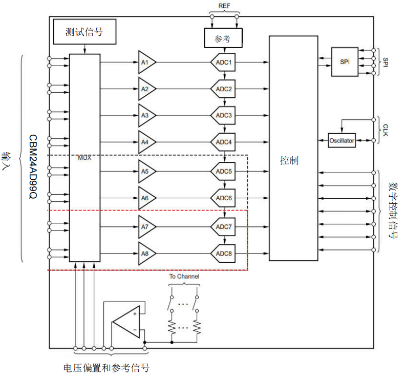
CBM24AD99Q,一款专为脑电图(EEG)和心电图(ECG)等生物电势测量应用设计的低噪声24位同步采样Δ-Σ模数转换器(ADC),具备内置可编程增益放大器(PGA)、内部电压基准和振荡器,能够以更低的尺寸、功耗和成本实现高集成度的医疗仪器系统。它采用先进的Δ-Σ调制技术,结合高度集成的电路设计,将可编程增益放大器(PGA)、内部电压基准和内部振荡器等核心功能模块集于一身。这种高度集成化的设计,不仅大幅缩减了系统体积和成本,还显著提升了系统的可靠性和稳定性。
芯片拥有多通道同步采样功能,能够同时采集多种生物电势信号,充分满足现代生物医学测量对多通道数据采集的迫切需求。该芯片的数据速率可在250 SPS至16k SPS范围内灵活调整,用户可根据实际应用场景,自由选择数据速率,以达到性能和功耗的最佳平衡状态。
02
核心技术与创新亮点
低噪声性能:CBM24AD99Q通过优化的电路设计和先进的工艺技术,实现了极低的输入参考噪声。其输入参考噪声低至1 μVPP(70Hz BW),能够精准捕捉微弱生物电势信号,为后续信号处理和分析奠定坚实基础。
高共模抑制比:在生物电势测量中,共模干扰信号是影响测量准确性的关键因素。CBM24AD99Q共模抑制比高达-110 dB,对共模干扰信号形成有效抑制,确保测量信号的纯净度和稳定性,提升测量结果的可靠性。
可编程增益放大器:芯片内置多达8个低噪声PGA,每个PGA的增益可在1、2、4、6、8、12或24之间灵活编程设置。使芯片能够适应不同幅度的生物电势信号,无需外部放大电路,进一步简化系统设计,降低成本和功耗。
内置高精度振荡器:CBM24AD99Q内部集成高频率稳定性的振荡器,为芯片正常工作提供可靠时钟信号。相较于外部时钟源,内置振荡器能够显著简化系统设计流程,并有效减少外部时钟源所带来的干扰和噪声,从而全面提升系统的整体性能
灵活的电源管理:产品支持单极或双极电源供电,模拟电源AVDD电压范围为4.5V至5.5V,数字电源DVDD电压范围为1.8V至3.3V。此外,芯片还配备了灵活的断电与待机模式,用户可以根据实际应用需求,精准调控芯片的功耗,从而进一步延长电池供电设备的使用寿命。在待机模式下,芯片功耗极低,有效降低系统能耗。
产品性能参数


03
产品应用领域
脑电图(EEG)研究:CBM24AD99Q其高分辨率和低噪声性能能够精准捕捉脑电波的细微变化,为神经系统疾病诊断和研究提供有力支持。例如,在癫痫、阿尔茨海默病等神经系统疾病研究中,CBM24AD99Q可助力科研人员获取更准确、更详细的脑电图数据,深入了解疾病发病机制和病理特征,为疾病早期诊断和治疗提供重要依据。
心电图(ECG)监测:实现对心电信号的高精度采集和处理。通过实时监测心电图信号变化,医生可及时发现心脏疾病异常情况,如心律失常、心肌梗死等,并采取相应的治疗措施。与传统心电图监测设备相比,采用CBM24AD99Q的设备具有更高的准确性和可靠性,为患者提供更优质的医疗服务。
睡眠研究监测器:CBM24AD99Q可应用于睡眠研究监测器中,准确采集睡眠过程中的生物电势信号,如脑电图、心电图、眼电图等。通过对这些信号的分析,研究人员可深入了解睡眠的生理过程和睡眠障碍的发生机制,为睡眠障碍的诊断和治疗提供科学依据。 其他生物电势测量应用:除上述应用领域外,CBM24AD99Q还可广泛应用于肌电图(EMG)、诱发电位(EP)等其他生物电势测量领域。在这些应用中,CBM24AD99Q的高性能和灵活性能够满足不同测量需求,为生物医学研究和临床诊断提供有力支持。
脑电图和心电图作为生物电势测量技术的代表,芯佰微CBM24AD99Q芯片应用的广泛性和在临床诊断中的重要性,为生物医学工程技术的发展注入了强劲动力。随着技术的不断进步,这些技术有望在癫痫症、颅内病变、脑部疾病评估、睡眠障碍诊断以及心律失常和心肌梗死的诊断分析中取得更大的突破。未来,芯佰微电子将继续秉持创新精神,不断提升产品性能和质量,为客户提供更优质的产品和服务,为全球生物医学事业的发展贡献力量。