时间:2023-05-12 08:57
人气:
作者:admin
随着科技的进步,电子元件小型化、微型化、智能化,带来许多医疗临床分析仪器的POCT(Point of Care Testing,又称“即时检验”或“床边检验”)流行趋势,更多地走入家庭,为人们健康保健发挥了积极地作用。
先写一个血压计的原理:

这个是几代电子血压计的原理

两个不同测量位置

以前的水银和现在的电子的对比

血压计的一个范围
对于5mmhg-60mmhg的压力范围,可以考虑以下几种传感器:
1. 差分压力传感器:可以测量5-60mmhg的较小压力范围,测量精度可以达到0.1%。例如Honeywell ASDX系列差分压传感器。
2. 矢量压力传感器:也可以用于测量5-60mmhg压力,并且可以同时测量多个压力值,精度在0.5%左右。例如Honeywell APSD系列矢量压传感器。
3. 电容式压力传感器:使用压敏电容膜作为压力敏感元件,用于测量较小的压力变化,精度可以达到0.2%。测量范围可以达到0-100mmhg。例如Honeywell CPCL系列电容压传感器。
4. 度标压力计:一种比较简单经济的测压设备,使用弹簧管+指针的结构。测量精度比较低,在1-2%之间,但价格很低廉。可以选择5-60mmhg的量程。5. 排版传感器:使用多孔陶瓷材料会改变电阻来测量压力变化。体积小,价格低,但测量精度一般在1%左右。可以选择5-100mmhg的量程。
一般是力和压力之间是要互相转换的:
mmHg是压力的一个单位,代表“毫米汞柱”。它表示1毫米高的汞柱产生的压力。
1mmHg = 1毫米汞柱 = 0.0193 psi = 0.013597 kPa那么,5-60mmhg的压力范围对应的值为:
5mmHg = 0.05psi = 0.067935 kPa
60mmHg = 0.6psi = 0.813784 kPa
压力也可以用g(简记为g)来表示,1g = 9.80665 m/s^2的加速度产生的力。1 psi ≈ 70.3068 g所以,5-60mmhg的压力范围对应的g值为:
5mmHg = 0.05 * 70.3068 = 3.515 g
60mmHg = 0.6 * 70.3068 = 42.184 g
总结如下:-
5mmHg = 0.05psi = 0.067935 kPa = 3.515 g
60mmHg = 0.6psi = 0.813784 kPa = 42.184 g
目前电子血压计大多采用示波法测量,这个产品应该也不例外。测量的时候,首先气泵(黄色)对袖套加压,通过充气袖套来阻断上臂动脉血流,由于心搏的血液动力学作用,在充气袖套压力上会重叠与心搏同步的压力波动,即脉搏波,实际测量的时候你会感觉到很明显的脉搏跳动。当袖套压力远高于收缩压时,脉搏波消失;随着袖套压力下降,脉搏波开始出现;当袖套压力从高于收缩压到收缩压以下时,脉搏波会突然增大;当压力下降到平均压时脉搏波达到最大值,然后又随着袖套压力下降而衰减。示波法血压测量就是根据脉搏波振幅与袖套压力之间的关系来估算血压的,与脉搏波振幅最大值对应的是平均压。收缩压和舒张压分别由脉搏波最大振幅的比例来确定。压力达到设定值后(90mmHg)充气泵停止加压,电磁阀(红色)开始工作,开始线性放气过程。

这个是一个100+的血压计的系统框图
瑞萨的四路运算放大器,型号 HA17324ARP用于放大传感器的信号。

有一颗圆柱形32.768Khz晶振,这个产品没有机械开关,所以这个低速晶振是用来待机降低功耗的,干电池产品都要做低功耗设计。

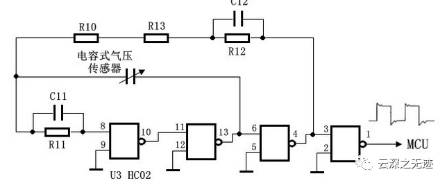
气压传感器,电容式

这个是传感器的细节

超压安全阀,它是接在气囊上的。当气泵打气控制失灵,致使气囊压力不断上升,当超过安全阀设置的压力值,就会开启泄压,保护气囊不被损坏(打气控制失灵故障比较罕见,一些品牌没有此设计)。

IC的型号HC02,是一款CMOS低功耗4路2输入或非门,它与周边的压力传感器及电阻电容构成RC振荡器,将压力传感器随气压变化的电容变化转变为频率变化,送入MCU进行数据处理。

气压和频率的转换
华为的watch D是很牛逼的存在,过医疗认证了
华为 Watch D。微型气泵背面有块塑料壳,两者之间用泡棉胶固定。FPC软板通过点焊方式连接泵体。FPC软板上集成1颗气压计,在微型气泵主体背面有网状出气孔。
下面是一个使用最广泛的桥电路:



都是使用的惠斯通电桥,是测量电阻最准确的方式
1. 高精度。惠斯通电桥可以达到0.1%的测量精度,是一种高精度的电阻测量方法。它利用了电桥平衡原理,可以通过检测桥臂电压的变化高精度地测量未知电阻。
2. 广量程。惠斯通电桥的量程可达10^-6欧姆到10^12欧姆,几乎可以涵盖所有的电阻值。只需要选择不同的标准电阻器组合即可。
3. 简单可靠。惠斯通电桥电路简单,不易损坏,使用方便可靠。它主要由4个电阻器和一个检测仪表组成,结构简单。
4. 高稳定性。由于使用了对称等价的电桥结构以及高精度的标准电阻,所以测量结果具有很高的稳定性和重复性。
5. 直流和交流通用。惠斯通电桥既可以用于直流电阻的测量,也可以用于交流电阻的测量。只需要选择对应的检测仪表即可。
6. 可以测量 littlep 电阻。利用标准电阻器的倍频器效应,惠斯通电桥可以扩大测量范围,测量很小的电阻值。总之,惠斯通电桥以其高精度、广量程、可靠性和稳定性等性能优势,被广泛应用于精密电阻的测量和校准。
电桥平衡原理是惠斯通电桥等电阻测量电桥的理论基础。它利用电阻器在电路中产生的电压降来比较未知电阻与标准电阻,当两者电压降相等时达到平衡,从而精确测量未知电阻。
电桥平衡原理如下:在电桥电路中,将一个未知电阻Rx与三个已知电阻Ra、Rb和Rc组成一个桥臂。在没有电流通过检测仪表的情况下,Rx与Ra、Rb和Rc必须满足:Rx / Ra = Rb / Rc 当上式成立时,电桥就达到平衡状态。此时各电阻两端的电压降相等,所以检测仪表未能测量到电压差,其读数为零。要测量未知电阻Rx,可以通过调节Ra、Rb和Rc,使电桥达到平衡,此时根据上式就可以计算出Rx的值。
例如,已知Ra=10欧姆,Rb=15欧姆,Rc=20欧姆,调节检测仪表读数为零时,可得:Rx / 10欧姆 = 15欧姆 / 20欧姆即: Rx = 15 * 10 / 20 = 7.5欧姆所以,电桥平衡原理实质上是一种比较法,通过调节已知参数使电桥两臂产生的电压降相等,达到平衡,从而精确测量未知参数。这也是惠斯通电桥等电阻测量电桥实现高精度测量的理论基础。

输入的是差分的电压,后面明显就是仪表放大器了


差分压力传感器的一个电路,这个是尽可能的去滤波

这个是也是测量电路的一个,可以串个电阻去测量电压,后面应该是一个跟随电路

没错,提高带载能力
传感器串联一个固定电阻,测量固定电阻两端的输出电压。Vout=Vcc*RO/(RO+Rs)在一般情况下,固定电阻取值建议是取传感器应用电阻范围值的 1/3到 1/2。
另外,通过选择合适的固定电阻可以使压力和输出电压在一定压力范围内呈现一定程度的近似线性关系。根据测量电路的阻抗要求,分压器后可以加一个运算放大器。就是我上面发的。
通过设定特定压力来控制开和关的典型应用电路,它由一个惠斯通电桥和一个电压比较器构成。当压力增大使得传感器电阻小于 R1时,电压比较器U1+高于U1,输出高电平。输出的高电平可以为后面附加的器件提供触发信号。

审核编辑:汤梓红