时间:2022-09-19 14:41
人气:
作者:admin
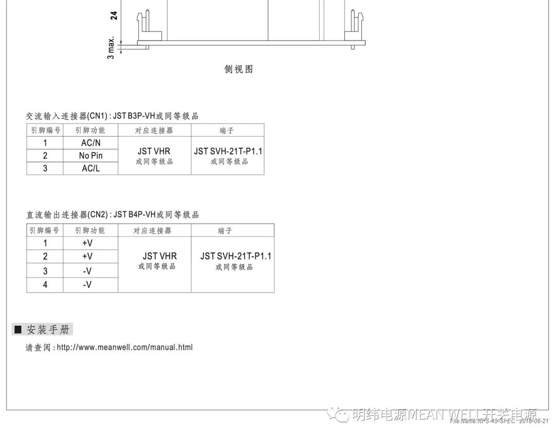
RPS-45系列是-款45W高信赖性基板型绿色医疗型电源供应器,3“x2”封装,具有高功率密度,输入范围80~264VAC,整系列提供从3.3Vdc到48Vdc之间不同的输出电压,效率高达91%,低于0.1W的超低空载功耗,RPS-45能 够用于ClassII (无FG)系统设计,小于100μA的超低漏电流。
另外,RPS-45符合国际医疗法规(2*MOPP)和EMC EN55011,非常适合各种BF型患者可接触的医疗系统设备使用。









编辑:黄飞