时间:2023-01-31 15:28
人气:
作者:admin
电池监控系统是不同市场的基本推动因素。电池在一系列应用中发挥着关键作用,从电动汽车的额外里程到为智能电网存储可再生能源。医疗设备中使用相同和相似的电池技术,以提高操作安全性,并可以自由地在医院中移动仪器。所有这些应用都使用需要精确高效的半导体来监控、平衡、保护和通信的电池。本文将解释最先进的电池监控系统(包括电池平衡和隔离通信网络)如何利用新锂电池化学成分的优势。使用创新的集成电路可实现更高的可靠性和30%的电池寿命,特别是对于大规模储能系统。
医疗应用中使用的电池需要满足所有通常使用的可靠性、效率和安全性的极高标准:患者的便携式系统,如胸外按压系统、医院急诊室设备、动力医疗推车和病床、便携式超声机、远程监控,以及市场上的新来者储能系统 (ESS)。
储能系统与患者没有直接联系,也不是由医生操作的。它们是不间断电源 (UPS) 的下一步。UPS传统上被用作最关键应用(例如,急诊室设备,IT网络关键基础设施)的备用电源。医院的储能系统正在通过新的锂基电池实现越来越多的功能。它们正在与医院电网完全集成,带来以下优势:
为整个设施提供完整的备用电源,而不仅仅是一小部分关键设施,并防止停电、电网电源/电压质量差以及减少应急柴油发电机的使用。借助兆瓦时(MWh)规模的ESS,医院即使在长时间停电的情况下也可以运营,并且可以参与电网稳定。
电费的经济效益。借助ESS,医院可以直接控制电力的使用曲线并减少高功率峰值需求,从而降低公用事业的账单。
医院通常拥有相当大的屋顶空间,这有利于安装光伏(PV)系统来发电。光伏系统与ESS相结合,可以存储和自用产生的电力,同时还提供经济效益并减少碳足迹。
锂基化学品现在是从汽车到工业再到医疗保健等各种市场中使用的电池的最新技术。不同类型的锂电池具有不同的优势,可以更好地适应各种应用和产品设计的功率要求。例如,LiCoO2(钴酸锂)具有非常高的比能量,这使其适用于便携式产品;林锰2O4(锂锰氧化物)具有非常低的内阻,可实现快速充电和高电流放电,这意味着它是调峰储能应用的不错选择。二氟乙烯4(磷酸铁锂)对完全充电条件的耐受性更强,并且可以长时间保持高电压。这导致它是需要在停电期间工作的大型储能系统的最佳候选者。缺点是较高的自放电率,但这与上述存储实现无关。
应用的不同需求需要多种电池类型。例如,汽车应用需要高可靠性和良好的充电和放电速度,而医疗保健应用需要高峰值电流可持续性,以实现效率和长寿命。然而,所有这些解决方案的共同点是,各种锂化学成分在标称电压范围内都具有非常平坦的放电曲线。
在标准电池中,我们看到电压降在 500 mV 至 1 V 的范围内,而在先进的锂电池中,例如磷酸铁锂 (LiFePO4)或钴酸锂(LiCoO2),放电曲线显示电压降在50 mV至200 mV范围内的平台。

图2.锂电池放电曲线。
电压曲线的平坦度在与电池电压轨相连的IC的电源管理链中具有巨大的优势:DC-DC转换器可以设计为在小输入电压范围内以最大效率点工作。从已知 V 转换在到非常接近的V外,系统的电源链可以设计为具有理想的降压和升压转换器占空比,以便在所有工作条件下实现>99%的效率。此外,电池充电器可以完美地瞄准充电电压,并根据稳定的工作电压确定负载尺寸,以提高最终应用的精度,例如远程监控或患者体内电子设备。在旧的化学成分或非平坦的放电曲线的情况下,由电池操作的DC-DC转换将以较低的效率工作,这导致电池持续时间缩短(-20%),或者,当连接到医疗便携式设备时,由于额外的功耗,需要更频繁地充电。
平坦放电曲线的主要缺点是电池的充电状态(SOC)和健康状态(SOH)额定值更难确定。SOC必须以非常高的精度计算,以确保电池正确充电和放电。过度充电会带来安全问题,并产生化学降解和短路,从而导致火灾和气体危害。过度放电会损坏电池,使电池寿命缩短50%以上。SOH 提供有关电池状态的信息,以帮助防止更换完好的电池,并在出现问题之前监控坏电池的状态。主微控制器实时分析SOC和SOH数据,调整充电算法,告知用户电池的潜力(例如,如果电池准备好在断电时进行大电流深度放电),并确保在大型储能系统中,状况不佳的电池和状况良好的电池之间的平衡是最佳的,以延长电池的总寿命。
通过对具有陡峭放电曲线的非常旧的电池进行成像,通过在短时间内测量电压降的增量并了解电池电压的绝对值,更容易计算该电池的充电状态。对于新的锂基电池,进行此测量所需的精度要高出几个数量级,因为在给定的时间范围内压降要小得多。
对于SOH,旧电池以更快,更可预测的方式放电:它们的电压放电曲线变得更加陡峭,无法达到目标充电电压。新的锂电池将保持相同的良好行为更长时间,但最终会以更特殊的行为退化,并在接近使用寿命或损坏时迅速改变其阻抗和放电曲线。必须格外小心温度测量,最好是在每个电池上,将SOC和SOH算法与此信息集成在一起,以使其更准确。
在最佳情况下,精确可靠的 SOC 和 SOH 计算有助于将电池寿命从 10 年延长到 20 年,并且通常会导致 30% 的使用寿命延长,从而在包括维护成本后将储能系统的总拥有成本降低 30% 以上。这与SOC信息的更高精度相结合,避免了可能快速耗尽电池的过度充电或过度放电情况;尽量减少短路、火灾和其他危险情况的机会;帮助使用电池中的所有能量;并以最佳、最有效的方式为电池充电。
本文提出的 LTC6813 电池管理解决方案 (BMS) 可用于便携式超声机等医疗保健设备和大规模(兆瓦/小时)储能系统(用于医院、工厂、电网稳定、电动汽车充电基础设施和住宅单元)以及工业机器人和车辆。ADI技术的便携性在可靠性和安全性方面带来了巨大的优势,因为它设计用于在不同的恶劣环境中工作,并符合从汽车ASIL到工业SIL(例如VDE AR 2510-2/-50、IEC EN 61508等)的各种功能安全标准。

图3.LTC6813应用原理图。
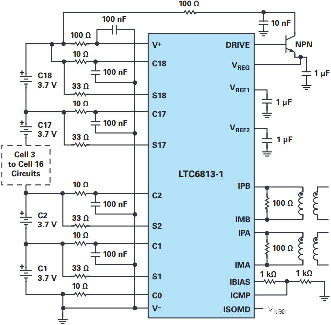
实现最高效、最可靠的电池监控系统的一种新的独特解决方案是将18节电池监控器和平衡IC与微控制器与SPI从机隔离接口相结合。多节电池组监视器可测量多达 18 个串联连接的电池单元,总测量误差小于 2.2 mV。0 V 至 5 V 的电池测量范围使其适用于大多数电池化学成分。所有18个电池的测量时间均为290 μs,并且可以选择较低的数据采集速率以实现高降噪。多个堆栈监控设备可以串联连接,允许同时监控长高压电池串。每个堆栈监视器都有一个 isoSPI™用于高速、射频免疫、长距离通信的接口。多个设备以菊花链形式连接,所有设备都有一个主机处理器连接。该菊花链可以双向操作,即使在通信路径出现故障时也能确保通信完整性。IC可以直接由电池组或隔离电源供电。该 IC 包括每个电池的被动平衡,以及每个电池的单独 PWM 占空比控制。其他特性包括板载5 V稳压器、6条通用I/O线路以及电流消耗降至<> μA的睡眠模式。
由于BMS应用的短期和长期精度要求,它使用埋入式齐纳转换基准而不是带隙基准。这提供了稳定的低漂移 (20 ppm/√kHr)、低温度系数 (3 ppm/°C)、低迟滞 (20 ppm) 初级基准电压源以及出色的长期稳定性。这种准确性和稳定性至关重要,因为它是所有后续电池单元测量的基础,这些误差会对采集的数据可信度、算法一致性和系统性能产生累积影响。
尽管高精度基准电压源是确保卓越性能的必要功能,但仅此还不够。模数转换器架构及其工作必须满足电气噪声环境中的规范,这是系统高电流/电压逆变器的脉宽调制(PWM)瞬变的结果。准确评估电池的充电状态和健康状况还需要相关的电压、电流和温度测量。
为了在系统噪声影响BMS性能之前降低系统噪声,堆栈监控器转换器使用Σ-Δ拓扑,该拓扑由六个用户可选的滤波器选项辅助,以应对嘈杂的环境。Σ-Δ方法降低了电磁干扰(EMI)和其他瞬态噪声的影响,因为它的性质是每次转换使用许多样本,并具有平均滤波功能。
在任何使用排列为电池或模块组的大型电池组的系统中,对电池平衡的需求都是不可避免的结果,例如用于为医院微电网和子电网供电的大型储能单元。尽管大多数锂电池在首次获得时匹配良好,但随着年龄的增长,它们会失去容量。由于多种因素,例如电池组温度梯度,老化过程可能因电池而异。加剧整个过程的是,可以超出其SOC限制运行的电池将过早老化并失去额外的容量。这些容量差异,加上自放电和负载电流的微小差异,导致电池不平衡。
为了解决电池不平衡问题,堆栈监控器IC直接支持被动平衡(带有用户可设置的定时器)。被动平衡是一种低成本、简单的方法,可在电池充电周期内对所有电池单元的 SOC 进行归一化。通过消除低容量电池的电荷,被动平衡可确保这些低容量电池不会过度充电。该 IC 还可用于控制主动平衡,这是一种更复杂的平衡技术,可通过充电或放电周期在电池之间传输电荷。
无论是使用主动还是被动方法,电池平衡都依赖于高测量精度。随着测量误差的增加,系统建立的工作保护带也必须增加,因此平衡性能的有效性将受到限制。此外,由于SOC范围受到限制,对这些误差的敏感性也会增加。总测量误差小于1.2 mV完全符合电池监控系统的系统级要求。
在储能系统中,必须使用通信环路来连接所有电池单元。该循环将数据从系统电池传输到基于云的能量管理算法,该算法跟踪充电和放电事件,以确定最大化电池利用率或在停电时保持最高容量电池充满电的最佳方式。
ADI公司的LTC681x和LTC680x系列代表了电池组监视器的最新技术。18 通道版本称为 LTC6813。
电池组监控设备需要与主单元通信,其中微控制器或处理器计算 SOC 和 SOH 值并调节充电和放电曲线。各种形式的互连是可能的,其中隔离通信通道是高压应用的首选,例如储能系统(400 V至1500 V)和带有高容量电池(40 V至200 V)的便携式设备。
LTC6813 电池组监视器内置的 isoSPI 功能与 LTC6820 isoSPI 通信接口结合使用时,可实现跨高电压势垒的安全、可靠的信息传输。.isoSPI在通过串联电池产生数百伏电压的储能系统中特别有用,这些储能系统需要完全介电隔离以最大程度地减少对人员的危害。

图4.LTC6813 与 LTC6820 的隔离连接。
在这些使用超过 18 节电池的存储系统中,需要将多个 LTC6813 BMS 板连接在一起。在这里,多个相同 PCB 的稳健互连(每个 PCB 包含一个 LTC6813)配置为以菊花链方式工作。微处理器位于单独的PCB上。为了实现微处理器 PCB 和第一个 LTC2 PCB 之间的 6813 线隔离,使用了 LTC6820 支持 IC。当只需要一个 LTC6813-1 时,如果第二个 isoSPI 端口 (端口 B) 正确偏置并端接,则可将其用作单个 (非菊花链) 器件。
具有平衡和通信功能的电池组监视器的主要设计挑战是创建无噪声PCB布局设计,关键走线路径远离噪声源(如开关电源),为堆栈监视器提供清晰的信号。借助ADI解决方案,堆栈监控器的高精度和精密度有助于优化已经很好的设计。然后,电池将被有效利用,它们的使用寿命将延长 30%,并且它们将以更安全的方式运行。
为了支持客户设计最终产品,ADI为电池监控器器件提供全系列评估系统和平台,以及适应所有需求的完整变体产品组合。
审核编辑:郭婷