时间:2022-08-10 16:45
人气:
作者:admin
本文将解释最先进的电池监控系统(包括电池平衡和隔离通信网络)如何利用新型锂电池化学物质的优势。
抽象的
电池监控系统是不同市场的基本推动力。电池在一系列应用中发挥着关键作用,从在电动汽车中加倍努力到为智能电网存储可再生能源。相同和相似的电池技术用于医疗设备,以提高操作安全性并在医院内自由移动仪器。所有这些应用都依靠电池运行,这些电池需要精确高效的半导体来监控、平衡、保护和通信。本文将解释最先进的电池监控系统(包括电池平衡和隔离通信网络)如何利用新型锂电池化学物质的优势。使用创新的集成电路可以提高可靠性并将电池寿命延长 30%,
医疗应用中使用的电池需要在其通常使用的所有应用中满足非常高的可靠性、效率和安全标准:患者的便携式系统,如胸部按压系统、医院急诊室设备、电动医疗推车和床、便携式超声波机器,远程监控,以及市场上的新人,储能系统(ESS)。
储能系统与患者没有直接联系,也不是由医生操作。它们是不间断电源 (UPS) 的下一步。UPS 传统上被用作最关键应用(例如,急诊室设备、IT 网络关键基础设施)的备用电源。在新型锂电池的支持下,医院的储能系统正在涵盖越来越多的功能。它们正在与医院电网完全集成,带来以下优势:
为整个设施提供完整的备用电源,而不仅仅是一小部分关键设施,以及防止停电、电网电力/电压质量差以及减少应急柴油发电机的使用。借助兆瓦时 (MWh) 规模的 ESS,医院即使在长时间停电期间也可以运行,并且可以参与电网稳定工作。
电费的经济效益。借助 ESS,医院可以直接控制电力的使用情况并减少高电力高峰需求,从而降低公用事业的费用。
医院通常拥有相当大的屋顶场地,有利于安装光伏 (PV) 系统来发电。与 ESS 相结合的光伏系统允许存储和自用发电,同时还提供经济效益和减少碳足迹。
从汽车到工业再到医疗保健,锂基化学物质现在是各种市场中使用的电池的最先进技术。不同类型的锂电池具有不同的优势,以更好地适应各种应用和产品设计的功率要求。例如,LiCoO2(钴酸锂)具有非常高的比能量,这使其适用于便携式产品;LiMn2O4(锂锰氧化物)具有极低的内阻,可实现快速充电和大电流放电,这意味着它是调峰储能应用的理想选择。LiFePO4(磷酸铁锂)更能耐受完全充电条件,并且可以长时间保持在高电压下。这使其成为需要在停电期间工作的大型储能系统的最佳选择。缺点是较高的自放电率,但这与上述存储实现无关。
应用的不同需求需要多种电池类型。例如,汽车应用需要高可靠性和良好的充电和放电速度,而医疗保健应用则需要高峰值电流可持续性以提高效率和延长使用寿命。然而,所有这些解决方案的共同点是,各种锂化学物质在标称电压范围内都具有非常平坦的放电曲线。虽然在标准电池中,我们看到电压降在 500 mV 到 1 V 的范围内,但在磷酸铁锂 (LiFePO4) 或钴酸锂 (LiCoO2) 等先进锂电池中,放电曲线显示出电压下降的平台在 50 mV 至 200 mV 的范围内。

锂电池放电曲线
电压曲线的平坦性在连接到电池电压轨的 IC 电源管理链中具有巨大的优势:DC-DC 转换器可以设计为在较小的输入电压范围内以最大效率点运行。从已知的 VIN 转换为非常接近的 VOUT,系统的电源链可以设计为具有理想的降压和升压转换器占空比,从而在所有工作条件下实现 》99% 的效率。此外,电池充电器可以完美地瞄准充电电压,并根据稳定的工作电压确定负载尺寸,以提高最终应用的精度,例如远程监控或患者体内电子设备。在旧化学品或非平坦放电曲线的情况下,
平坦放电曲线的主要缺点是电池的充电状态 (SOC) 和健康状态 (SOH) 额定值更难确定。必须以非常高的精度计算 SOC,以确保电池正确充电和放电。过度充电会带来安全问题并产生化学降解和短路,从而导致火灾和气体危害。过度放电会损坏电池并将电池寿命缩短 50% 以上。SOH 提供有关电池状态的信息,以帮助防止更换好电池并在问题出现之前监控坏电池的状态。主微控制器实时分析 SOC 和 SOH 数据,调整充电算法,告知用户电池的潜力(例如,
通过对具有陡峭放电曲线的非常旧的电池进行成像,通过在短时间内测量电压降的增量并了解电池电压的绝对值,更容易计算该电池的充电状态。对于新的锂电池,进行这种测量所需的精度要高几个数量级,因为在给定的时间范围内电压降要小得多。
对于 SOH,旧电池以更快、更可预测的方式放电:它们的电压放电曲线变得更加陡峭,无法达到目标充电电压。新的锂电池将保持相同的良好行为更长时间,但最终会随着更异常的行为而退化,并在它们接近使用寿命或损坏时迅速改变其阻抗和放电曲线。必须特别注意温度测量,理想情况下是在每个电池上,将 SOC 和 SOH 算法与此信息集成,以使其更加准确。
精确可靠的 SOC 和 SOH 计算有助于在最佳情况下将电池寿命从 10 年延长到 20 年,并且通常可以提高 30% 的寿命,从而将储能系统的总拥有成本降低 30% 以上,包括维护费用。这与 SOC 信息的更高准确性一起,避免了可能快速耗尽电池的过度充电或过度放电情况,最大限度地减少短路、火灾和其他危险情况的可能性,帮助利用电池中的所有能量,并实现充电以最好、最有效的方式使用电池。
本文提出的LTC6813电池管理解决方案 (BMS) 可用于便携式超声机等医疗保健设备和大规模(兆瓦/小时)储能系统(用于医院、工厂、电网稳定、电动汽车充电基础设施、和住宅单元),以及工业机器人和车辆。ADI 技术的便携性在可靠性和安全性方面带来了巨大优势,因为它设计用于在不同的恶劣环境中工作,并且符合从汽车 ASIL 到工业 SIL 的各种功能安全标准(例如,VDE AR 2510-2/- 50、IEC EN 61508 等)。
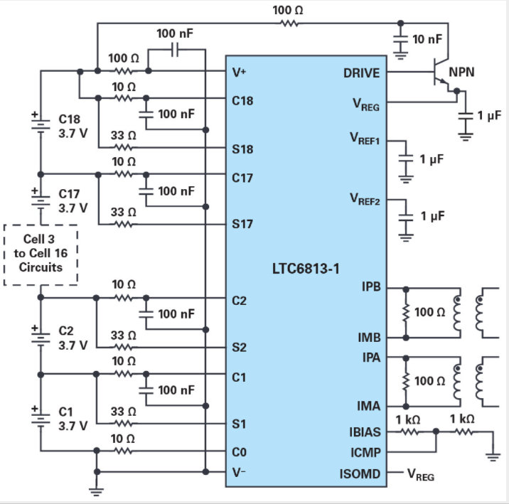
拥有最高效和最可靠的电池监控系统的一种新的独特解决方案涉及将 18 节电池监控器和平衡 IC 与微控制器与 SPI 从机隔离接口相结合。多节电池组监视器可测量多达 18 个串联电池,总测量误差小于 2.2 mV。0 V 至 5 V 的电池测量范围使其适用于大多数电池化学成分。所有 18 个电池都可以在 290 μs 内完成测量,并且可以选择较低的数据采集速率以实现高降噪。多个堆栈监控设备可以串联连接,允许同时监控长的高压电池组。每个堆栈监视器都有一个 isoSPI™ 接口,用于高速、RF 免疫、长距离通信。多个设备以菊花链形式连接,一个主机处理器连接所有设备。该菊花链可以双向操作,确保通信完整性,即使在通信路径出现故障的情况下也是如此。
IC 可以直接由电池组或隔离电源供电。该 IC 包括每个电池的被动平衡,每个电池都有单独的 PWM 占空比控制。其他功能包括板载 5 V 稳压器、9 条通用 I/O 线以及电流消耗降至 6 μA 的睡眠模式。

LTC6813 应用原理图
由于 BMS 应用的短期和长期精度要求,它使用掩埋齐纳转换基准而不是带隙基准。这提供了稳定、低漂移 (20 ppm/

)、低温度系数 (3 ppm/°C)、低滞后 (20 ppm) 初级电压基准以及出色的长期稳定性。这种准确性和稳定性至关重要,因为它是所有后续电池单元测量的基础,并且这些误差对获取的数据可信度、算法一致性和系统性能具有累积影响。
尽管高精度参考是确保卓越性能的必要功能,但仅此还不够。模数转换器架构及其操作必须满足电噪声环境中的规范,这是系统高电流/电压逆变器的脉宽调制 (PWM) 瞬态的结果。对电池充电状态和健康状况的准确评估还需要相关的电压、电流和温度测量。
为了在系统噪声影响 BMS 性能之前降低系统噪声,堆栈监视器转换器使用 ∑-Δ 拓扑,该拓扑由六个用户可选择的滤波器选项辅助,以应对嘈杂的环境。∑-Δ 方法降低了电磁干扰 (EMI) 和其他瞬态噪声的影响,其本质是每次转换使用许多样本,并具有平均滤波功能。
在任何使用按电池组或模块组排列的大型电池组的系统中,电池平衡的需求是不可避免的结果,例如用于为医院微电网和子电网供电的大型储能单元。虽然大多数锂电池在首次购买时匹配良好,但随着时间的推移它们会失去容量。由于几个因素,例如电池组温度的梯度,老化过程可能因电池而异。使整个过程更加恶化的是,如果电池能够超出其 SOC 限制运行,则会过早老化并失去额外的容量。这些容量差异,加上自放电和负载电流的微小差异,导致电池不平衡。
为了解决电池不平衡问题,堆栈监视器 IC 直接支持被动平衡(带有用户可设置的定时器)。被动平衡是一种低成本、简单的方法,可在电池充电周期内对所有电池的 SOC 进行标准化。通过从较低容量的电池中移除电荷,被动平衡可确保这些较低容量的电池不会过度充电。该 IC 还可用于控制主动平衡,这是一种更复杂的平衡技术,可通过充电或放电循环在电池之间转移电荷。
无论是使用主动方法还是被动方法,电池平衡都依赖于高测量精度。随着测量误差的增加,系统建立的工作保护带也必须增加,因此平衡性能的有效性将受到限制。此外,由于 SOC 范围受到限制,对这些错误的敏感性也会增加。小于 1.2 mV 的总测量误差完全符合电池监控系统的系统级要求。
在储能系统中,必须有一个通信回路来连接所有电池单元。该循环将系统电池中的数据传输到基于云的能源管理算法,该算法跟踪充电和放电事件以确定最大化电池使用或在断电情况下保持最高容量电池充满电的最佳方式。
ADI 的 LTC681x 和 LTC680x 系列代表了最先进的电池组监视器。18 通道版本称为 LTC6813。
电池组监控设备需要与主单元通信,其中微控制器或处理器计算 SOC 和 SOH 值并调节充电和放电曲线。各种形式的互连都是可能的,其中隔离通信通道更适合高压应用,例如储能系统(400 V 至 1500 V)和具有高容量电池(40 V 至 200 V)的便携式设备。
当与LTC6820 isoSPI 通信接口结合使用时,内置在 LTC6813 电池组监视器中的isoSPI功能可实现跨高压势垒的安全和稳健的信息传输。isoSPI 在通过串联电池产生数百伏电压的储能系统中特别有用,这些系统需要完全绝缘隔离以最大限度地减少对人员的危害。

LTC6813 与 LTC6820 的隔离连接
在这些使用超过 18 个单元的存储系统中,需要将多个 LTC6813 BMS 板连接在一起。在这里,多个相同 PCB 的稳健互连(每个都包含一个 LTC6813)被配置为在菊花链中运行。微处理器位于单独的 PCB 上。为了在微处理器 PCB 和第一个 LTC6813 PCB 之间实现 2 线隔离,使用了 LTC6820 支持 IC。当只需要一个LTC6813-1时,如果第二个 isoSPI 端口(端口 B)被适当地偏置和端接,它就可以用作单个(非菊花链式)器件。
具有平衡和通信功能的电池组监视器的主要设计挑战是创建无噪声的 PCB 布局设计,其关键走线远离噪声源,如开关电源,为电池组监视器提供清晰的信号。借助 ADI 解决方案,堆栈监视器的高准确度和精确度有助于优化已经令人满意的设计。然后电池将得到有效使用,它们的使用寿命将延长 30%,并且它们将以更安全的方式运行。
为了支持客户设计其最终产品,ADI 为电池监控设备提供了全系列的评估系统和平台,以及适应所有需求的完整变体组合。
审核编辑:郭婷
下一篇:高效的便携式医疗设备设计策略