时间:2022-04-08 11:11
人气:
作者:admin
当前上海正处于抗新型冠状病毒肺炎疫情防控的关键阶段,在这个没有硝烟的战场上,及时快速地筛查新冠感染者并及时进行隔离是阻止新冠病毒肆意蔓延的最有效且唯一的手段。核酸检测是目前筛查新冠感染者最精准、有效、低成本的技术方式。
什么是PCR?
聚合酶链式反应(Polymerase Chain Reaction), 简称PCR, 又称多聚酶链式反应,是一项利用DNA双链复制的原理,在生物体外复制特定DNA片段的核酸合成技术。透过这项技术,可在短时间内大量扩增目的基因,而不必依赖大肠杆菌或酵母菌等生物体。
PCR扩增的三个基本步骤
(1)变性:模板DNA经加热至94℃左右并保持一定时间后,基于DNA半保留复制原理,还有碱基互补配对原则,即复制的过程中双链DNA会解链,由双链变成单链,为下轮反应做准备;
(2)退火:模板DNA经加热变性成单链后,温度降至55℃左右,引物与模板DNA单链的互补序列配对结合;
(3)延伸:温度再升至72℃左右,在DNA聚合酶的作用下,把游离的dNTP按照碱基互补配对原则结合到单链上,形成一条由旧链和新链杂合成的新的双链DNA。

PCR扩增原理:变形-退火-延伸温度循环
理论上,经过上面步骤,目标DNA浓度可增加一倍。重复循环上述过程,可获得更多的“半保留复制链”,而形成的新链又可成为下次循环的模板。每完成一个循环需2~4分钟, 仅需2~3小时就能将目标DNA扩增放大几百万倍。

全自动核酸提纯及实时荧光PCR分析系统
经过以上分析,我们就可以理解为什么核酸检测结果最快能在几个小时内出结果。

实时荧光PCR定量分析
PCR扩增仪温度控制指标主要有:温度的准确性、均匀性、以及升降温速度。
1.温度的准确性:是指样品孔温度与设定温度的一致性,它直接关系到实验的成败。因而对PCR扩增仪而言温度控制就意味着产品质量。
2.温度的均匀性:是指样品孔间的温度差异,它关系到在不同样品孔进行反应结果的一致性。
3.升降温速度:更快的升降温速度,可以有效缩短反应时间和可能的非特异性结合、反应的时间,从而提高PCR反应特异性。
相较于传统的相对稳定耐用的机械式,新的半导体温控技术——TEC温度控制技术具有升降温更快速的优势,已经成为PCR扩增仪的首选温度控制技术。
半导体制冷器 (Thermo Electric Cooler,简称 TEC) 是利用半导体材料的帕尔贴效应制成的。如图下所示,帕尔帖效应是指当直流电流通过两种半导体材料组成的电偶时,其一端吸热,一端放热的现象。TEC 包括一些 P 型和 N 型对(组),它们通过电极连在一起,并且夹在两个陶瓷电极之间,当有电流从 TEC 流过时,电流产生的热量会从 TEC 的 一侧传到另一侧,在 TEC 上产生″热″侧和″冷″侧,这就是 TEC 的加热与致冷原理。

帕尔帖效应,PN 节以及热流动示意图
PCR扩增仪一般具有两种温控模式,即模块温控模式(Block-control)和反应管温控模式(tube-control)。管内样品的温度无法与温控模块同时达到预设温度,特别是PCR反应中的孵育过程一般为30秒或更短,如果采用只有模块温控模式的话,反应混合物孵育的时间与程序设定的时间会有相当大的差距。为了达到反应管内部温度精确控制,需采用反应管控制模模式,通过温度控制算法进行参数标定和补偿,确保反应混合物按照程序设定的时间维持预设温度。
科技战“疫”,数明在行动
面对近期香港、深圳、上海等地奥密克戎的快速扩散,核酸检测能力在数量和速度方面都面临着极大的考验。数明半导体积极发挥了科技技术方面的优势,组织技术专家研究PCR扩增技术的优化解决方案,以功率器件门极驱动芯片和TEC控制器为着力点,优先保障芯片供应和交付,与客户一起助力抗疫,共克时艰。
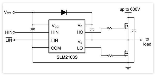
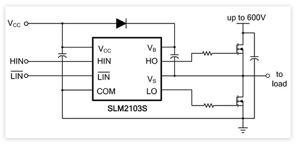
数明半导体自研的20V-600V耐压全系列的低边、半桥、三相半桥等功率管门极驱动芯片(SLM2103S、SLM2136等)可用于驱动TEC,协助PCR扩增仪器客户快速、方便地完成系统设计,在当前半导体供应短缺时期,可以满足客户设计方案的快速变更、验证与量产。

600V耐压半桥功率器件驱动芯片 工作示意图

600V耐压三相半桥功率器件驱动芯片 工作示意图
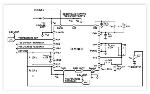
数明半导体的单芯片TEC控制器产品——SLM8833/8834/8835 集成了TEC驱动电路、低温飘高精度温度误差放大器及环路补偿电路、温度设定与传感电路,采用高效的单电感架构,实现更紧凑、更高的转换效率及更低的噪声;其中功率级集成了超低阻抗的MOSFET,损耗更低寿命更久;同时匹配模拟PID与数字PID两种温控模式,以满足客户PCR扩增仪的小型化创新设计需求。

由SLM8834 构成的 TEC 系统框图

模拟PID温控器模式

数字PID温控模式
上一篇:浅谈移动平板C形臂应用及性能优势
下一篇:美的发布方舱医院集成化解决方案