时间:2020-08-07 11:27
人气:
作者:admin
故障现象:机器接通电源开启后,不能进入正常的使用状态,显示错误信息“Errl3”。
故障维修:该是由微机控制各种检测和操作。可自动诊断错误信息,“Errl3”提示灯丝电路电压故障。据常规程序,开机后停20s后再开机,按kV“”键,故障不消失,显示屏上仍出现“Errl3”。MOBIILETTⅡX光机在使用时,接通电源开启后,微机检测控制单元对灯丝电路自动进行下述两项检测:
(1)球管灯丝加热电压将被测量记录,如果发现超出范围(24.4~25.7V),机器将不会进入正常使用状态,并显示错误信息,同时灯丝电路将停止工作。
(2)在曝光前的准备阶段,测量电路对灯丝电压监测变化,由于灯丝电流的提升而产生电压变化,范围应在0.12~0.70V,同时电流值范围应在1.45~7.7A范围内,如不满足条件则提示故障。
如上述两项其中之一检测结果异常,均提示“Errl3”。
因本次故障“Errl3”在开机后即刻出现此现象,由分析可知,故障原因主要在于两方面:(1)灯丝电压超出正常范围。(2)灯丝电压测量电路本身故障。
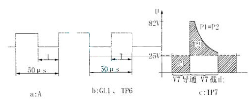
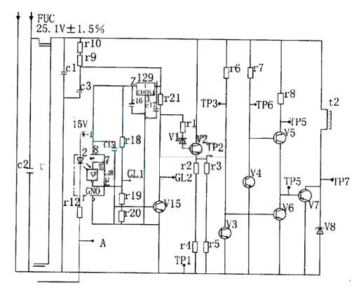
打开机器,用万用表测量灯丝电压(t2次级电压),发现电压为0.3V,表明灯丝电压没有供给。即查灯丝电压发生电路。球管灯丝电压由灯丝变压器t2次级输出供给,驱动转换电压发生电路(DI)输入由主电源变压器t1经整流稳压单元(UC)后供给,它使得灯丝电压值准确,驱动转换电压发生电路(DI)由脉冲发生器(G)和数字比较电路(DC)产生的20kHz的脉冲宽度可调的信号A控制(见图1(A)),脉冲宽度由微机控制电路(MC)给出设定,其中脉冲宽度决定灯丝电压的大小。
用万用表测整流稳压电路(UC)输出电压为25.OV,属正常范围(允许范围25.1V±1.5%)用示波器测脉冲控制信号A(FMC)。如图1(A),T宽度为6.75μs(对应灯丝预热电压值),由此表明故障在驱动转换电压发生电路(见图2)。
由稳压电路产生的直流25.1V电压输入,首先经由L1、C1组成的低通滤波器滤波。加在t2初级和有关控制器件组成回路。脉冲宽度可调信号A由控制单元给出,输入到

图1A、TP6和TP7各点信号波形图
I28(高速光耦合器),当A为低电平时(T阶段),I28导通,Vl5截止,V1(稳压管)和V2、V3、V4、V5、V7导通,V6截止,本电路中为了保证快速的开关通断速度,分别用V3,V4同时驱动互补对管V5和V6,采用逐级控制方式。V7导通时,25.1V电压输入经t2初级和V7组成回路,电流升高,在电流升高期间,t2作为变压器工作,在次级产生电压通过灯丝。当信号A高电平时I28截止,V15导通,V2、V3、V4、V5截止,V6工作在饱和区,V7基极电压下降,工作在截止状态,t2作用为电感器件,在V7导通期积累的能量供给t2的次级,给灯丝供电,电压和总功率取决于V7导通时间T。V8(稳压管)在V7截止时用来保护V7。这一过程完成后

图2驱动转换电压发生电路
V7在信号A的控制下重复导通和截止状态,使t2次级输出维持一一稳定的灯丝电压。由以上分析可知测试点GL1,GL2,TP2—TP6各点信号均与A波形相对应脉冲信号,A、TP6和TP7各点信号波形图如图1所示。
现用示波器依次测TP7—TP2和GL2、GL1各测试点,均不是图1所示对应波形图,分别为高低电平信号。而A有输入,测I28各外围电路,各工作电压参数均正常,据此判定I28损坏,更换I28(HCPL2601),再次开机,“Errl3”故障消失。测GL2为与A反相波形,TP7波形均正常,机器恢复正常工作。