时间:2020-08-27 16:12
人气:
作者:admin
心率数据可以提供有关个人身体状况的非常有价值信息,通过检测心律失常等不规则现象,心率数据可用于从个人健身监测,到医院级患者监测的生命体征等应用。当今的无线和可穿戴技术不仅可以通过非侵入性方式收集复杂数据,还可以进行实时分析和显示,并可存储以供日后使用。
这种技术为可穿戴设备开辟了新的健身和保健消费市场,促进了健身手带和胸带等运动监视器的应用。在医疗领域,非侵入式心率监测可用于识别心脏血流减少,评估心脏病发作和血栓形成等风险和问题。甚至在医院的病房中,护士现在也可以使用简单的手握心率监测器和便携式分析仪对患者进行定期“观察”动脉血氧饱和度、呼吸率和水合水平等指标。
市场对于非侵入式和/或可穿戴设备的需求正在快速增长,而需要收集数据的复杂性也在提高,在数据采集、信号调节和处理方面增大了技术挑战。对于医疗应用尤其如此,数据测量必须可靠、准确且安全。
测量心率有两种主要方法。第一种是利用光学技术检测血液流过靠近皮肤血管时光吸收或反射度的变化。光学技术也可用于估计血液中的氧饱和度(脉搏血氧饱和度),而面临主要的技术挑战是低功耗、环境光抑制和环境噪声消除等。
第二种方法是生物电位测量,使用电压感测电极来检测心肌组织产生并传递到皮肤的电活动,该数据用于生成心电图(ECG),医学专家广泛使用心电图来确定心脏健康状况。生物阻抗测量也可以用来确定呼吸速率和相对强度,与该方法相关的关键技术挑战包括低功率运行、运动补偿和消除噪声以及其他干扰。
1、光脉冲血氧仪
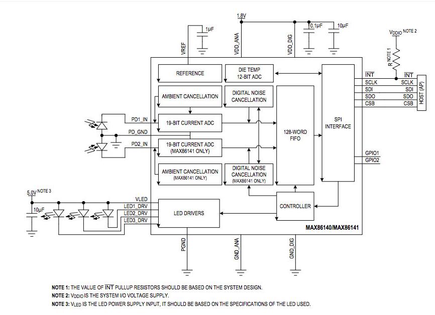
幸运的是,对于开发人员来说,现在市场已经可以提供许多用于心率监视器的专用光学数据采集系统。例如,MaximIntegrated的MAX86140经过专门优化,可用于通过手腕、手指、耳朵和其他位置连接的监视器来测量光学心率、氧饱和度和肌肉氧饱和度等参数。

光学心率监测通常需要单个光源,但脉搏血氧计则需要两个。为了获得极高的精度并增大可能的测量范围,通常采用多个光源。MAX86140和MAX86141分别提供单个和双光学通道。
在发射器端,可配置三个可编程高电流LED驱动器,以驱动多达6个LED。由于两个器件通过主从模式工作,LED驱动器可以驱动多达12个LED。这些器件的一个关键特性是其强大的专有环境光消除(ALC)电路,特别适用于在明亮条件下确保精度。此外,该系统也可以应对光照水平的快速变化。
其他主要功能包括具有19位Σ-Δ型ADC的低噪声信号调节模拟前端(AFE)、电压基准和温度传感器。ADC输出数据速率可以从8到8192个采样进行编程,这些器件只需极少的外部硬件。128字FIFO能够为数字输出数据提供片上存储,并可连接到微控制器。
这两款器件均采用1.8V电源供电,具有独立的3.1V至5VLED驱动器电源,可提供多种节能设置。它们具有灵活的定时和关闭配置以及对各个功能块的控制,可以在最低功率水平下实现优化测量。在低于128sps的较低采样率下,可采用动态断电模式。当传感器不与皮肤接触时,接近模式可以帮助降低能量消耗。
光学控制器能够配置用于各种测量。可以按顺序施加脉冲到一个、两个或三个LED驱动器,根据脉搏血氧仪的要求进行多个波长的测量。当LED驱动器同时被脉冲时,可以在腕戴式设备上进行心率测量。可以调节LED驱动电平以补偿增大的干扰环境信号等噪声水平。
2、生物电位ECG测量
心电图可测量心率,并可提供具体信号的详细信息,为专业人员进行心脏检查提供更多细节。它还允许在健身应用中进行更可靠的心率监测,特别是在使用胸带的情况下。与具有同样精度水平的光学传感器相比,生物电位测量通常需要低很多的功率。然而,ECG信号的处理同样会迅速消耗电池电量。此外,ECG读数容易受到运动和其他干扰源影响。因此,在健身应用中,运动补偿尤其重要,并且运动本身也可能是重要的噪声源。

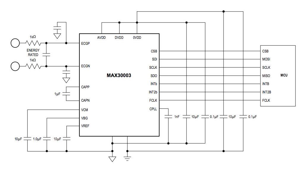
同样,特定的专用器件可用于此类应用。MaximIntegrated的MAX30003为一款用于可穿戴应用的完整生物电位模拟前端(AFE)解决方案,参见图3。该单通道器件具有临床级ECGAFE和高分辨率ADC,可提供15.5位有效分辨率和5μV峰峰值噪声。此外,它还具有ESD保护、EMI滤波、内部引线偏置、DC引线断开检测和软上电排序。高输入阻抗可确保在干启动(drystart)期间输入端的信号有最小衰减。
通过确保AFE具有尽可能高的共模抑制比(CMRR)可以实现运动补偿,并消除运动伪影的干扰。MAX30003具有高达115dB的CMRR特性,可选的引线偏置电阻有助于提高CMRR,并可提高输入阻抗。各种低通和高通滤波器选项可用于限制带宽,这对于衰减来自静电和高频信号的噪声非常重要。对于健身应用,单电源高通转角频率(high-passcornerfrequency)应设置为5Hz,而对于临床应用,通常可降至0.5Hz或0.05Hz。对于体育运动,共模低通转角频率可设定为34Hz,这是在干启动时限制衣物噪声的最佳水平。
MAX30003在1.1V电源电压下具有85μW的超低功耗,由此可延长电池使用寿命。引线导通检测功能可在待机/深度睡眠模式(70nA)期间运行,32字FIFO可包含多达32个ECG数据转换结果,从而节省主微控制器的处理资源,因为它可以长时间保持睡眠状态,从而能够降低功耗。同样,MCU可以编程不处理潜在的无效数据,用于R-R峰值间隔的内置算法可进一步节省功耗,因此MCU仅消耗约1μA的功率,而如果所有这些功能都由主MCU实现则可多消耗50至100倍的功耗。
非常有用的是,Maxim提供了一个设计平台,可用于开发基于该器件的可穿戴健康或健身产品。MAXREFDES100健康传感器平台包括用于单个PCB的所有硬件构建模块,并可提供基于ARMmbed的编程板作为硬件开发套件(HDK)。除MAX30003外,MAX30101还通过光学元件(包括LED和光电探测器)以及具有环境光抑制功能的低噪声电子元件增加了脉搏血氧测定功能。另外还有MAX30205临床级温度传感器,推荐的功率模块是MAX14750,能够为MCU、AFE和数字接口提供多路输出。