时间:2017-12-20 11:38
人气:
作者:admin
A/D转换是一种将连续的模拟信号转换成适合于数字处理的二进制数的操作,在单片机控制系统中,经常要将被控实体模拟的过程信号转换成数字量送给单片机,这样的工作就是由A/D转换部件来完成的。因此,A/D转换部件在单片机系统中有着广泛的应用。A/D转换是电信号数据采集系统的重要组成部分,本文以自行设计的心电采集系统为例,完整地介绍12位A/D转换芯片AD574在该系统中的具体应用。具有很好的实际应用参考价值。
心电监测作为一种对人体心脏活动进行动态检测与分析的有效手段,在临床上和人体素质分析中具有很好的应用价值。而心电采集是心电监测的首要步骤,本文利用通用的51单片机来控制实现心电信号的采集。图1所示是一个心电采集系统的总体结构框图。
电极是从人体取得心电信号的敏感元件,心电信号由携带在人体上的专用电极拾取后送入放大和滤波电路,经放大和滤波电路后获得符合要求的、干净的、不失真的心电模拟信号,该心电模拟信号由模拟输入端送入A/D转换电路,最后在单片机的控制下进行高精度的A/D转换和数据存储。

AD574是美国AnalogDevice公司生产的12位逐次逼近式A/D转换器,内部集成由转换时钟、参考电压源和三态输出锁存器,因此他可以直接接微机总线进行接口。分辨率可设为12位,转换时间为25μs。该A/D转换器对外的连接信号有模拟输入信号、数据输出信号、启动转换信号、转换结束信号及数据的读取等。A/D转换器和系统连接时就要考虑这些信号的连接问题。
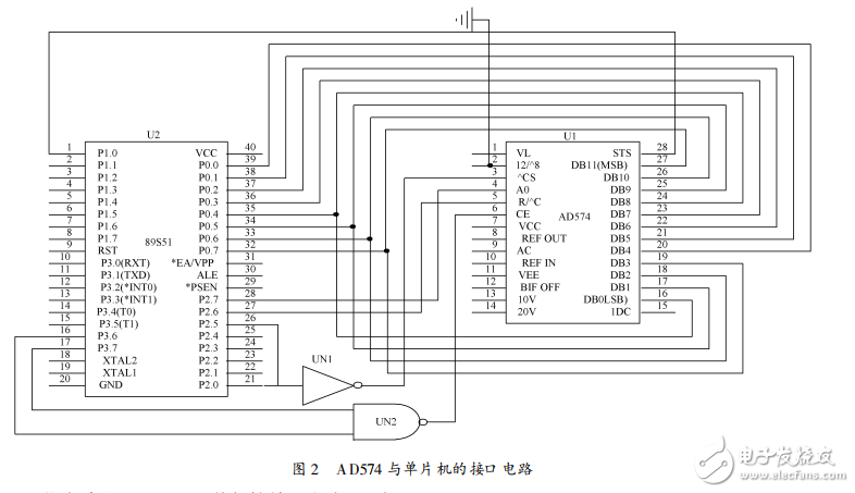
AD574是单端输入模拟电压,在l0Vin和20Vin中任一端和AGND之间输入,可输入单极性电压或双极性电压,输入模拟电压的极性不同,其输入电路也不同。AD574要求用脉冲启动信号,即在CPU的控制下发出启动转换信号,并通过程序控制得到足够宽度的脉冲信号。A/D转换结束时,AD574反馈给出转换结束信号。AD574的数据输出线也有三态输出门,可直接连接系统数据总线。在本采集系统中,AD574与AT89S51单片机的接口电路如图2所示。

AD574芯片采用0~+10V单极性输入方式。2脚直接接地,也就是启动12位转换,转换结果分两次输出,3,4,5脚分别接至单片机地址总线的高位P2.5,P2.4,P2.3,单片机的读写信号经过一级与非门后送到AD574的CE脚作为使能信号。
AD574状态脚STS即28脚可接外部中断,比如INT0,就可用中断方式读转换结果,当然,也可直接接至单片机的P1.0脚,采用查询方式读转换结果。与AD574的12脚和10脚相接的两个0.1kΨ的电位器分别用于零点调整和满刻度调整,具体的调整方法是:零点调整,调整R1使得输入模拟电压从-5V变化到-4.9988V,即输入电压变化1/2LSB时输出数字量从000000000000变化到000000000001;满刻度调整(即增益调整),调整R2使得输入模拟电压从+4.9988V变化到+5V,即输入电压变化1/2LSB时,输出数字量从111111111110变化到111111111111。