时间:2017-12-27 17:49
人气:
作者:admin
针对传统病房呼叫系统存在的不足,本文设计了一款基于PLC的病房呼叫系统。当病人通过按键请求医护人员帮助时,病房呼叫系统将相关请求信息通过电力载波传输给上位机系统,医护人员根据当前请求信息给予病人相应的帮助。
本文根据病房呼叫系统实际功能需求对病房呼叫系统硬件电路进行设计。系统硬件电路主要由电源模块、电力载波发送模块、电力载波接收模块、时钟模块、数据显示模块、呼叫按键模块、串口模块和看门狗模块等组成,其整体硬件电路如图1所示。

图1病房呼叫系统硬件结构框图
文中设计的系统有效解决了传统病房呼叫系统结构复杂、施工难度大、扩展能力差等问题。当病人需要医护人员帮助时,病人通过病房呼叫系统将呼叫请求信息传输给相应的主治医生或护士,主治医生或值班护士接收到请求信息后,通过病房呼叫系统给予相应的应答,从而稳定病人情绪,提高医疗整体服务水平。
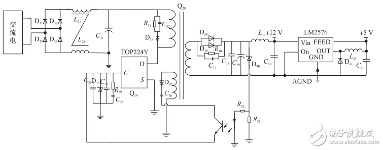
病房呼叫硬件电路主要由以下功能模块组成,分别为电力载波发送模块、电力载波接收模块、电源模块、串口模块、人机交互模块等。
对于任何一套系统,电源模块整体稳定性决定了系统整体可靠性和稳定性。由于系统体积限制和实际功能需求,本文设计了一款高性能开关稳压电源。该电源选用美国POWER公司开发的TOP224Y芯片作为电源主控芯片,其电路如图2所示。

图2开关电源设计电路
开关稳压电源工作原理如下:220V交流电源经过整流桥和滤波电容输出波动的直流电源,该电源直接输出给TOP224Y芯片的漏极引脚,TOP224Y芯片导通,电源电压通过变压器Q20初级线圈与源极形成回路,Q20次级线圈输出电源电压,同时系统利用整流二极管和滤波电容对输出的电源电压进行整流滤波处理。为了保证开关电源输出稳定的电源电压,本系统采用变压器次级线圈对输出的电源电压进行采样,当采集电压大于12V时,光耦发光体导通,TOP224Y芯片关闭漏极引脚,从而降低开关电源输出的电压大小。由于变压器初级线圈具有储能作用,其在TOP224Y高频开关过程中容易产生较高的尖峰脉冲,为了保证系统能够正常T作,系统设计了由电阻R28、电容C32和二极管D36组成的吸收回路对尖峰脉冲进行吸收处理,从而有效避免开关电源因尖峰脉冲造成TOP224Y芯片的损坏。
上一篇:超声波无损探伤系统设计方案
下一篇:智能医疗发展现状及趋势分析