时间:2017-08-07 11:05
人气:
作者:admin
1.1背景事件
针对患者手术中麻醉剂的施用,当麻醉剂量超标时,容易造成患者心跳、呼吸骤停从而造成脑损伤。传统的麻醉剂注射依靠麻醉师的经验,而新型的脑电监测TCI注射泵则将BIS(脑电监测)与TCI(靶控输注)相结合,真正在医疗电子中实现个体化镇静麻醉,减少麻醉风险。
1.2脑电监测TCI注射泵控制主板功能需求
脑电监测TCI注射泵在常规注射泵基础上,通过接收“脑电分析仪”的数据来进行分析决策注射量和注射速度,使注射更加科学,更加安全。

控制主板主要功能需求:
显示接口,外接7寸以上真彩液晶,支持触摸屏;
RS-232接口,连接脑电分析仪;
PWM,控制注射电机;
ADC,采集注射管位置数据信息;
声卡,注射过程提示;
以太网,连接服务器,实现数据上传;
1.3脑电监测TCI注射泵控制主板设计难点
1.触摸屏“飞点”,频繁操作失误
注射泵采用7寸四线电阻式触摸屏,在操作过程中“飞点”现象严重,导致频繁误操作并影响用户体验。通过触摸屏绘线,可发现明显的“毛刺”与“波浪”,如图1所示。

图1 触摸屏操作绘线
2.触摸响应速度慢,且偶尔发生死机
脑电监测TCI注射泵内部程序较为复杂,软件处理任务较多,时有触摸按键点击后、反映过于迟钝现象,且偶尔会出现系统死机,需重启设备现象。
3.偶发性断电重启失败,造成设备无法正常使用
注射泵关机采取直接断电方式,测试过程中发现在频繁的开关机操作中,设备偶尔出现无法启动的现象,分析发现,该现象为断电后操作系统文件系统丢失(原存储在flash中)。偶发性现象在早期所有测试样机中均不同程度复现,严重影响产品品质。
1.4我们的推荐方案
针对客户的功能需求与设计难点,ZLG致远电子推荐采用M3352工控核心板,协助客户快速完成产品开发,项目框图如图2所示。

图2 项目框图
1.触摸屏硬件滤波配合软件驱动去除“飞点”
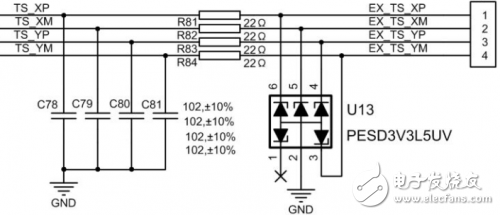
四线电阻触摸屏接口电路如图3所示,为防止触摸屏受干扰而出现较大识别误差,加入了低通滤波电路;需注意电容C78~C81选型,容值不能超过0.01μF,否则触摸屏反映迟钝或无法正常识别,建议取值1nF。

图3 触摸屏电路
除硬件滤波外,触摸屏驱动需增加去除“飞点”的算法处理,最终的触摸屏实现效果如图4所示,绘线已十分平滑。
图4 触摸屏绘线
2.采用工控核心板,Cortex-A8处理器
触摸响应速度慢、偶发性死机,与软件处理的任务复杂度及处理器性能相关,同时不排除软件设计、硬件设计问题(如驱动程序、电源电路、主板抗干扰性能)引发设备死机。
M3352核心板采用Cortex-A8处理器,主频达800Mhz,性能为普通ARM9处理器的4倍以上,完全可满足注射泵对处理器性能的需求。同时,ZLG核心板软件、硬件均经过严格的压力测试,且稳定性历经医疗、电力、军工等各行业考验。
3.十万次flash掉电测试,可靠文件系统
设备断电重启后无法启动,多为意外断电导致的文件系统损坏或文件系统丢失。文件系统是指操作系统用于明确磁盘或分区上文件的方法和数据结构,即在磁盘上组织文件的方法。
文件系统常见异常:
文件系统掉电丢失,系统无法启动、重要记录数据丢失;
文件系统损坏,存储数据出现位错乱、重要文件无法打开读取。
M3352核心板以及ZLG致远电子ARM工控产品,文件系统在读写过程中经过10万次频繁上下电测试:
确保文件系统可靠;
确保意外掉电文件系统不丢失。
1.5推荐产品
图6 M3352核心板
M3352核心板,静电、浪涌、脉冲抗干扰设计符合工业4级;
主要功能特点:
TI Cortex-A8 AM3352处理器,800MHz主频
支持WinCE与嵌入式Linux操作系统
6路UART接口
2路CAN接口
2路高速 USB OTG(内置PHY,480Mbps)
2路以太网(其中1路为千兆MAC)
机械尺寸60mmx45mm
工作温度-40℃~+85℃
下一篇:电子医疗器械的智能化制造方案