全球最实用的IT互联网信息网站!

AI人工智能P2P分享&下载搜索网页发布信息网站地图

当前位置:诺佳网 > 电子/半导体 > 医疗电子 >

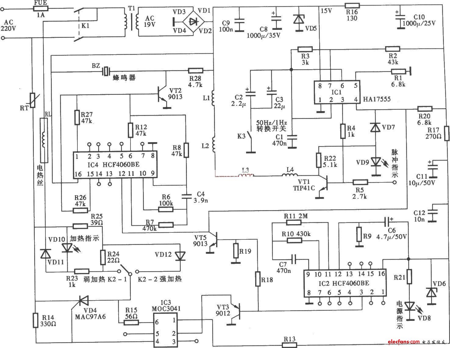
利德LD-1型磁脉冲治疗仪原理图

时间:2012-03-06 11:35

人气:

作者:admin

标签: 治疗仪  利德 

导读:利德LD-1型磁脉冲治疗仪原理图-利德牌LD-1型磁脉冲治疗仪电路由HCF4060BE和HA17555等元件构成。...
利德牌LD-1型磁脉冲治疗仪电路由HCF4060BE和HA17555等元件构成。 利德牌LD-1型磁脉冲治疗仪电路
温馨提示:以上内容整理于网络,仅供参考,如果对您有帮助,留下您的阅读感言吧!
相关阅读
本类排行
相关标签
本类推荐

CPU | 内存 | 硬盘 | 显卡 | 显示器 | 主板 | 电源 | 键鼠 | 网站地图

Copyright © 2025-2035 诺佳网 版权所有 备案号:赣ICP备2025066733号
本站资料均来源互联网收集整理,作品版权归作者所有,如果侵犯了您的版权,请跟我们联系。

关注微信