全球最实用的IT互联网信息网站!

AI人工智能P2P分享&下载搜索网页发布信息网站地图

当前位置:诺佳网 > 电子/半导体 > 医疗电子 >

血压的模数转换电路原理图

时间:2012-03-15 15:03

人气:

作者:admin

标签: 血压 

导读:血压的模数转换电路原理图-血压的模数转换电路原理图选用Motorola 公司生产的高性能7/2位A/ D 转换器件MC14433....
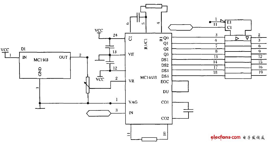
我们选用Motorola 公司生产的高性能7/2位A/ D 转换器件MC14433 ,其片内含有振荡器,只要外接两只电容和两只电阻即可,在此选其输出量程为199. 9mV。MC14433 的输出信号端中Q0~Q3 为BCD 码数据输出端,DS1~DS4 分别是千位、百位、十位和个位数的输出选通信号。通过调节电阻R 的阻值可以使得MC14433 的输出BCD 码与输入电压相同。其中MC1403 是精密电源为MC14433 提供可靠的参考电压。 血压的模数转换电路原理图
温馨提示:以上内容整理于网络,仅供参考,如果对您有帮助,留下您的阅读感言吧!
相关阅读
本类排行
相关标签
本类推荐

CPU | 内存 | 硬盘 | 显卡 | 显示器 | 主板 | 电源 | 键鼠 | 网站地图

Copyright © 2025-2035 诺佳网 版权所有 备案号:赣ICP备2025066733号
本站资料均来源互联网收集整理,作品版权归作者所有,如果侵犯了您的版权,请跟我们联系。

关注微信