全球最实用的IT互联网信息网站!
AI人工智能P2P分享&下载搜索网页发布信息网站地图
Giotto数字乳腺机错误解析并维修
阅读全文2020-08-07
东芝KXO-80N型800mAX光胃肠机维修案例解析
西门子移动式X线机Errl3日常故障维修分享
解析监护仪的检测原理 分享临床知识
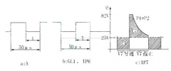
耐压36v/60v/80v的DCDC降压芯片
FOVE进军医疗领域 将用VR进行疾病检查
传感器在呼吸机等医疗设备的重要性
阅读全文2020-08-06
专门为急救人员在使用真正临床AED的AED模拟除颤
回顾AI应用的亮点 微软NExT用人工智能来发现治疗
阅读全文2020-08-02
医疗器械的电磁干扰及电磁兼容
阅读全文2020-07-31
智锐通携“硬核”AI医疗硬件登场CMEF,解
思特威亮相2025中国国际工业博览会
无线医疗设备测试知识分享
锁定全球头部医械订单!9月上海精准对接
CPU | 内存 | 硬盘 | 显卡 | 显示器 | 主板 | 电源 | 键鼠 | 网站地图
Copyright © 2025-2035 诺佳网 版权所有 备案号:赣ICP备2025066733号 本站资料均来源互联网收集整理,作品版权归作者所有,如果侵犯了您的版权,请跟我们联系。