全球最实用的IT互联网信息网站!

AI人工智能P2P分享&下载搜索网页发布信息网站地图

当前位置:诺佳网 > 电子/半导体 > 制造与封装 >

优恩RJ45网络端口-1000M- 以太网口ESD及雷击浪涌防

时间:2022-11-03 14:50

人气:

作者:admin

标签: 以太网  ESD 

导读:伴随着科技的高速发展,万物互联并网的趋势已经成为必然,网络端口也越来越多的出现在电子产品上面,网络端口因其需要较远距离传输且走线环境多为户外及一些电磁环境较复杂的...

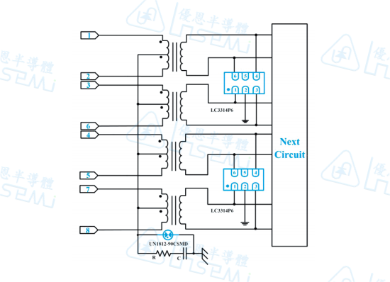
伴随着科技的高速发展,万物互联并网的趋势已经成为必然,网络端口也越来越多的出现在电子产品上面,网络端口因其需要较远距离传输且走线环境多为户外及一些电磁环境较复杂的地方,极易引入各种干扰,导致后端芯片的损坏、系统重启、死机等等现象,此类情况必然给后续产品的稳定性及可靠性带来一定隐患,此方案采用优恩公司大功率、承受冲击浪涌能力极强的 ESD(30A 8/20us)做网络变压器次级防护,在无初级差模防护情况下,也能使后端拥有极低的钳位抑制电压,具有完善的次级差共模防护能力,满足 IEC 61000-4-2 Level 4 静电放电及 IEC 61000-4-5 Level 3 雷击浪涌防护需求。

产品图示:

poYBAGNjZEuAdN7RAADLLTZCx_4471.pngLC3314P6pYYBAGNjZFaANpVwAAEN5PmQiRg614.pngUN1812-90CSMD

应用示例:

符合要求 : ESD IEC 61000-4-2 Level 4;Surge IEC 61000-4-5 Level 3

poYBAGNjZGKAQLO7AAGYcbzGJpE079.png
温馨提示:以上内容整理于网络,仅供参考,如果对您有帮助,留下您的阅读感言吧!
相关阅读
本类排行
相关标签
本类推荐

CPU | 内存 | 硬盘 | 显卡 | 显示器 | 主板 | 电源 | 键鼠 | 网站地图

Copyright © 2025-2035 诺佳网 版权所有 备案号:赣ICP备2025066733号
本站资料均来源互联网收集整理,作品版权归作者所有,如果侵犯了您的版权,请跟我们联系。

关注微信