时间:2009-11-25 15:21
人气:
作者:admin
调光台灯的设计
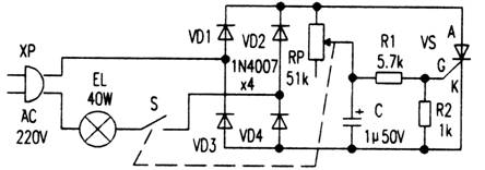
电路中,由电源插头XP、灯泡EL、电源开关S、整流管VD1~VD4、单相晶闸管VS与电源构成主电路;由电位器RP、电容C、电阻R1与R2构成触发电路。将XP插入市电插座,闭合S,接通220V交流电源,VD1~VD4全桥整流得到脉动直流电压加至RP,调节RP的阻值,就能改变C的充/放电时间常数,即改变VS控制触发角,从而改变VS的导通程度,使EL获得0~220V电压。RP的阻值调得越大,则EL越暗,反之越亮,达到无级调光的目的。
调光台灯电路图

上一篇:广告灯控制器的制作及电路