全球最实用的IT互联网信息网站!

AI人工智能P2P分享&下载搜索网页发布信息网站地图

当前位置:诺佳网 > 电子/半导体 > 制造与封装 >

实用电动窗帘电路图

时间:2009-07-30 08:33

人气:

作者:admin

标签: 电路图 

导读:实用电动窗帘电路图-实用电动窗帘电路? 该电路使用元件少,可靠性高,操作方便,平时只用一只按钮控制窗帘的开闭,窗帘开闭到位后,电路自动切断220V交流电,既经济又安全。该...
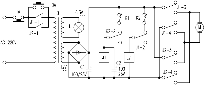
实用电动窗帘电路?
  

该电路使用元件少,可靠性高,操作方便,平时只用一只按钮控制窗帘的开闭,窗帘开闭到位后,电路自动切断220V交流电,既经济又安全。该电路还可以通过另一只按钮,保证窗帘可以停在任何需要的位置。笔者用该电路制作安装的电动窗帘,至今已工作8年有余了,从未出过问题。具体电路见附图所示。
  工作原理
  电源变压器B、桥式整流堆和电容C1组成12V直流电源。继电器J1、J2和行程开关K1、K2组成互锁电源极性切换电路。
  当按下按钮QA时,220V交流电接通,指示灯L点亮,由于C2的存在,J1两端的电压不能突变,故J2优先吸合,J2-1闭合,电路自保,J2-2断开,电路互锁,J2-3、J2-4闭合,电机得电正转,窗帘开启。窗帘完全开启后,行程开关K2被拉线拉动而断开,J2失电释放,J2-1断开,整个电路断电停止工作。窗帘完全开启后,再次按下QA时,由于K2断开,J2不能吸合,J1吸合,J1-1闭合,电路自保,指示灯L点亮,J1-2断开,电路互锁,J1-3、J1-4闭合,电机得电反转,窗帘闭合。窗帘完全闭合后,行程开关K1被拉线拉动而断开,J1失电释放,J1-1断开,整个电路断电停止工作。
  当需要窗帘停在任意位置时,只要在窗帘运动过程中,按下按钮TA即可。
  需要说明的是,本电路控制的窗帘开闭,是以开启动作为优先的,即窗帘只要不是呈完全开启状,当按下QA时,窗帘总是朝开启方向运动。不过,日常使用时,窗帘一般是全开全闭循环动作的,所以仅用一只按钮QA就可以控制窗帘的开闭了。
  元器件选用
  电机要根据窗帘的质地和大小、重量来选取,变压器、整流全桥和继电器触点容量则根据所选电机工作电流大小选取,J1、J2选用有4组触点的12V直流继电器,最好选用带有插座的,这种继电器使用时连线非常方便,行程开关选用带有簧片的微动开关,其它元件按图中标注选取。?河北 王春明 实验点评 电路在使用上确有作者所说的优点:即元件少,可实现性强。但根据笔者按图连接使用时发现,此电路在启动时K1、K2有抢步现象,并不像作者所说那样准确(K2先于K1接通,窗帘往开的方向运动)。
  笔者作如下改动:在K1支路中,K1与J2-2之间串接两只二极管。笔者使用两只1N4001(也可以使用一只50Ω/2W的电阻)。这样在不影响J1吸合的情况下使电路更加可靠。

?


温馨提示:以上内容整理于网络,仅供参考,如果对您有帮助,留下您的阅读感言吧!
相关阅读
本类排行
相关标签
本类推荐

CPU | 内存 | 硬盘 | 显卡 | 显示器 | 主板 | 电源 | 键鼠 | 网站地图

Copyright © 2025-2035 诺佳网 版权所有 备案号:赣ICP备2025066733号
本站资料均来源互联网收集整理,作品版权归作者所有,如果侵犯了您的版权,请跟我们联系。

关注微信