时间:2009-07-01 09:58
人气:
作者:admin
NXP高效绿色电源方案TEA1751+TEA1761 用于60W至180W的FLYBACK拓扑
TEA1751+TEA1761方案是用于60W至180W的FLYBACK拓扑的最佳选择,其外围电路相对于其他方案简单,降低布板空间,与同类产品相比有很高的性价比,PFC和PWM集成在同一颗IC里面,且仅仅只有16PIN,工作方式都采用软开关模式,保证能够实现高效率,同时有很好的EMI表现,能够降低5分贝左右的EMI干扰,并且能够很容易的实现待机功耗控制,且有各种OVP(过压保护)、OLP(过载保护)、OTP(过温保护)等,保护功能齐全。
TEA1751主要功能特点:
‧适用于60W至180W的NB POWER、LED POWER、一体机POWER等适配器,高性价比;
‧空载及轻载均符合2007年国际能源机构(IEA),能源之星(Energy star)和蓝色天使(Blue Angel)建议的各项具体要求;
‧简单的外围器件,有利于low cost;
‧优良的OLP补偿特性,在输入宽范围内保持输出功率一致;
‧两段式PFC设置,可以提高低电压转换效率,且轻载关断PFC功能,实现1/4载到满载的平均效率大于87%;
‧独特的软启动功能,保证任何情况下开关元件和磁性元器件的应力不至超标;
‧PWM IC 驱动电压钳位在11V(可以完全驱动所有MOSFET),大大保护MOSFET不被损坏;
TEA1761主要功能特点:
‧驱动能力强,驱动电压10V,所以适合NXP和其他牌子的MOSFET;
‧能辨别原边开(Storke)还是低功率时的振荡(Ringing);
‧宽的VCC范围(8.5V to 38V);
‧为电压控制提供精确的参考电压;
‧智能关断在外加MOSFET损坏时;
‧保护功能包括UVLO,OTP,LATCH;
主要应用领域实例:功率范围覆蓋(60~180W).

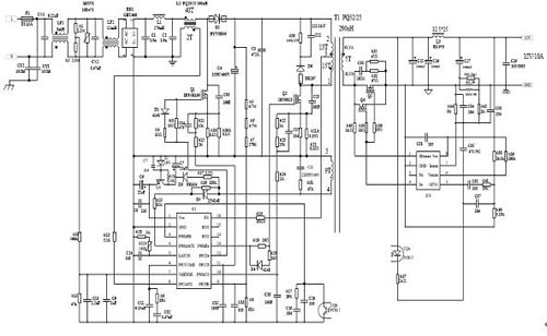
典型应用电路图:
应用实例:90W NB适配器
上一篇:Freescale推出为工业应用及汽车设计的全新扩充连
下一篇:电子工业的丝网印刷