时间:2009-07-29 16:04
人气:
作者:admin
用定时器判断光电耦合器的质量性能
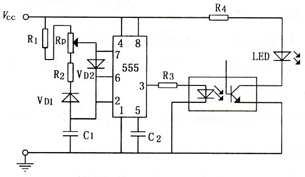
..所采用的电路如图1所示,VD1和VD2的作用是将电容C1(其容值为10uF)的充放电回路分开,以使定时器
输出占空比可调的脉冲波形;C2为滤波电容,容值为0.01uF,它的作用是组成定时元件;R1、R2的阻值分别
为10kΩ和51kΩ;Rp的阻值为0—10kΩ;R3、R4的阻值分别可取为2kΩ和1kΩ,它们的作用均是为了限流;
Vcc可使用干电池或直流稳压电源。
检测步骤如下:
加电(Vcc=5V 或6V)后若发光二极管LED按2Hz左右的频率闪动,则说明该被测管质量性能良好,其原因是:
加电后,定时器会从3引脚输出脉冲电压(此电压与Vcc的值有关,此脉冲电压通过电阻器R3加到光电耦合
器发光管上,其振荡频率:f=2Hz 因此,也就出现了上述现象。此电路能调节LED的发光时间间隔。
注意:
1、此电路可去掉VD1、VD2以及滑动变阻器Rp,这样5定时器就会输出占空比不变的脉冲波形;
2、定时器的输出脉冲频率不能太高,否则会发现发光二极管LED的状态是一直亮着,从而影响察看效果。
