全球最实用的IT互联网信息网站!
AI人工智能P2P分享&下载搜索网页发布信息网站地图
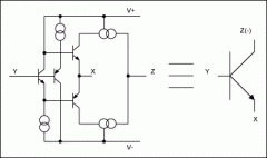
新型CCII电流传输器
阅读全文2008-07-27
精度为±0.5°C的温度传感器,上电时运行用户设定
降低功耗噪声是GPS设计难题-DR技术实现无间断导
中国钢丝绳标准
阅读全文2008-07-25
电梯用钢丝绳标准GB8903-88
电梯钢丝绳用钢丝GB8904-88
制绳钢绳标准GB/T8919-96
输送带用钢丝绳标准GB/T12753-91
橡胶软管增强用钢丝标准GB/T11182-89
胶管用钢丝绳标准GB/T12756-91
比科奇推出5G小基站开放式RAN射频单元的
今日看点丨传英特尔将推Gaudi2降规版抢攻
浩亭庆祝越南工厂正式投产
贸泽现已开售运行速度远超前代产品的树
CPU | 内存 | 硬盘 | 显卡 | 显示器 | 主板 | 电源 | 键鼠 | 网站地图
Copyright © 2025-2035 诺佳网 版权所有 备案号:赣ICP备2025066733号 本站资料均来源互联网收集整理,作品版权归作者所有,如果侵犯了您的版权,请跟我们联系。