时间:2023-03-31 11:33
人气:
作者:admin
讨论了汽车应用基本电源中电源路径的典型框图。本文介绍如何将有源限压器集成到该基本电源设计中。描述了集成限压器的好处。Maxim的几个有源限压器就是这种设计方法的示例。
简介—典型汽车电源的结构
图1显示了汽车电源的简化结构。

图1.汽车电源的基本原理图由上述三个组件组成。
此框图包含以下单元:
无源保护电路:限制+12V电源总线的正电压并阻断负电压。
有源保护电路:电压限制器,其功能与无源保护电路非常相似,但使用晶体管等有源元件而不是无源元件。因此,与具有相同电气特性的被动结构相比,它具有更好的质量比和更小的尺寸。
开关模式或线性稳压器:为多通道电源中的给定负载提供适当的电压和电流。
这些组件的具体技术规格可能因应用而异。尽管某些应用实际上省略了其中一些元素,但它们的缺失将对电气性能产生整体负面影响。事实上,缺少上述单元之一将使技术要求和设计复杂化。
将限压器集成到电源中
有源限压器的理论非常简单。在器件的输入和输出之间有一个MOSFET。电压限制器控制该晶体管的栅极。在正常工作条件下,MOSFET 开路,负载供电。如果电压超过定义的阈值,限压器将关闭外部 MOSFET 和负载。
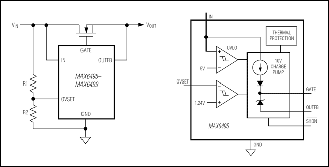
最基本限压器的内部结构和典型应用电路如图2所示。

图2.框图,例如具有外部MOSFET的72V过压保护开关/限幅器控制器。MAX6495–MAX6499的示意图显示了过压模式下的器件;MAX6495为功能图。
在这个基本电压限制器中,V在为内部电路供电。V处的最大电压在为 80V。OVSET输入端的分压器设置可调过压门限。使用内部电荷泵为低成本n沟道MOSFET的栅极供电可降低器件价格。除了提供过压门限外,这些IC还实现了不可调的欠压门限。
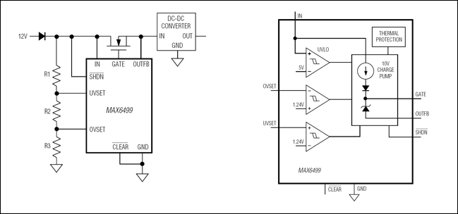
在另一种方法中,窗口电压限制器具有可调阈值。图 3 显示了此应用程序的示例。

图3.MAX6499配置为过压/欠压窗口检测器(左),如其基本功能框图(右)所示。
在这种情况下,限压器会阻止MOSFET和负载免受欠压和过压情况的影响。输出电压范围可能非常有限(即狭窄),从而降低了对稳压器输入电压范围的技术要求。因此,该稳压器可以大大简化并降低成本。此外,一些音频应用不需要高精度电压调节。在这些应用中,这种限压器设计消除了增设稳压器的需求。
如上所示,分压器控制图2中IC上的输入电压。分压器也可以重新连接到限压器的输出端,如图4所示。在后一个示例中,分压器限制负载电压,而不是将其关闭。从性能数据中可以看出,限压过程是周期性的。振荡周期取决于负载能力和负载电流,因此在很宽的范围内变化。这种周期性振荡包含两个阶段;第一级将MOSFET置于有源模式,第二级将其关断。

图4.这些器件在此处配置为过压限制保护开关;将显示性能数据。C在= 100μF;C外= 10μF;R外= 100Ω.
图4中的配置周期性地将MOSFET置于有源模式,从而导致该MOSFET的功耗。因此,需要特别注意防止MOSFET过热。因此,该 IC 具有阈值约为 +160°C 的内部过热保护。 如果超过此温度,IC和MOSFET均关断;冷却至 +140°C 后,它们恢复正常模式。为了实现此应用,IC应尽可能靠近MOSFET放置良好的热接触。
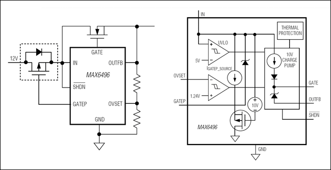
众所周知,电路板电源总线可能包含负电压尖峰和正尖峰。负电压可以通过基于无源元件的保护电路或特殊IC来阻断。该反向保护设计的内部结构如图5所示,为MAX6496。

图5.MAX6496为过压限制器,具有低压降反向保护电路(左)和功能框图(右)。
除了用作典型的正电压限制器外,MAX6496还包含一个p沟道MOSFET栅极级,该级在正电压下保持额外的MOSFET导通,在负输入电压下保持关断。在高负载电流和低最小输入电压下,该电路比普通Shottky二极管更有用。
总结
本应用笔记中讨论的每个限压器都有特定的参数,以增强器件的共同特性。如果负载供电,每个限压器的最大输入电压为 72V,如果负载关闭,则为 80V。下表总结了限压器IC的主要特性。
| 部件号 | 包 | 静态电流,μA | 场效应管类型 | 自动重试 | 闩锁 | 可编程限压器 | 电池反接保护 | 欠压关断阈值 (V) | 集成稳压器 | 启用输入 | 电源正常输出 |
| MAX6495 | 6/TDFN | 24 | n | X | X | 5 | |||||
| MAX6496 | 8/TDFN | 24 | n + p | X | X | X | 5 | ||||
| MAX6497 | 8/TDFN | 15 | n | X | 5 | X | |||||
| MAX6498 | 8/TDFN | 15 | n | X | 5 | X | |||||
| MAX6499 | 8/TDFN | 15 | n | X | X | X | 调整后 | ||||
| MAX6397 | 8/TDFN | 37 | n | X | X | X | X | ||||
| MAX6398 | 6/TDFN | 11 | N | X | X | ||||||
| MAX6399 | 8/TDFN | 10 | N | X | X | X | X | ||||
| MAX16010 | 8/TDFN | 20 | - | X | X | ||||||
| MAX16011 | 8/TDFN | 20 | - | X | X | ||||||
| MAX16012 | 6/TDFN | 20 | - | X | |||||||
| MAX16013 | 6/TDFN | 20 | P | X | X | X | X | ||||
| MAX16014 | 6/TDFN | 20 | P | X | X | X |
审核编辑:郭婷