全球最实用的IT互联网信息网站!

AI人工智能P2P分享&下载搜索网页发布信息网站地图

当前位置:诺佳网 > 电子/半导体 > 移动通信 >

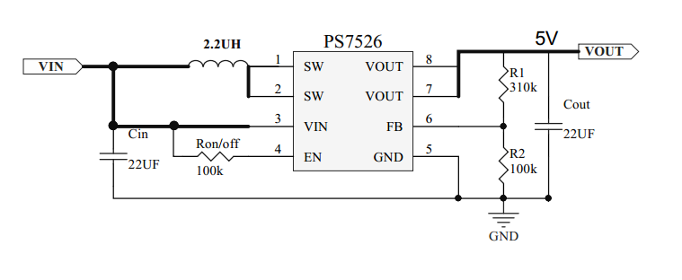
3.7V升压5V2A,锂电池升压5V2.4A方案-PS7526

时间:2022-05-05 18:03

人气:

作者:admin

标签: 移动电源  锂电池 

导读:详情PS7526demo2.4A测试数据:输入电压输入电流输出电压输出电流效率3.50V3.84A4.95V2.4A88.5%3.70V3.54A4.95V2.4A90.7%4.10V3.13A4.96V2.4A92.5%PS7526demo2.1A测试数据:输入电压输入电流输出电压输出电流效率...

详情

PS7526 demo 2.4A测试数据:

输入电压 输入电流 输出电压 输出电流 效率

3.50V 3.84A 4.95V 2.4A 88.5%

3.70V 3.54A 4.95V 2.4A 90.7%

4.10V 3.13A 4.96V 2.4A 92.5%

PS7526 demo 2.1A测试数据:

输入电压 输入电流 输出电压 输出电流 效率

3.50V 3.25A 4.94V 2.1A 91.2%

3.70V 3.04A 4.94V 2.1A 92.2%

4.10V 2.71A 4.94V 2.1A 93.3%


温馨提示:以上内容整理于网络,仅供参考,如果对您有帮助,留下您的阅读感言吧!
相关阅读
本类排行
相关标签
本类推荐

CPU | 内存 | 硬盘 | 显卡 | 显示器 | 主板 | 电源 | 键鼠 | 网站地图

Copyright © 2025-2035 诺佳网 版权所有 备案号:赣ICP备2025066733号
本站资料均来源互联网收集整理,作品版权归作者所有,如果侵犯了您的版权,请跟我们联系。

关注微信