时间:2017-03-22 09:23
人气:
作者:admin
复数混频器、零中频架构和高级算法开发之间存在一种有趣的联 系。本文旨在明确以上三者各自的基本概念,即工作原理以及它们 给系统设计带来的价值,并阐述它们之间的相互依赖关系。
RF工程常被视为电子领域的黑魔法。它可能是数学和力学的某种 奇特组合,有时甚至仅仅是试错。它让许多优秀的工程师不得其解, 有些工程师仅了解结果而对细节毫无所知。现有的许多文献往往 不建立基本概念,而是直接跳跃到理论和数学解释。
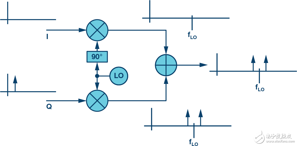
图1是采用上变频器(发射机)配置的复数混频器原理图。两条并 行路径各有独立混频器,一个公共本振向这些路径馈送信号,本振 与其中一个混频器的相位相差90°。两个独立输出随后在求和放大 器中求和,产生所需的RF输出。

图1. 复数发射机基本架构
该配置有一些简单但非常有用的应用。假设仅在I输入上馈送一个 信号音,而不驱动Q输入,如图2所示。假定I输入上的信号音频率 为x MHz,则I路径中的混频器产生LO频率±x的输出。由于没有信号 施加于Q输入,此路径中的混频器产生的频谱为空,I混频器的输出 直接成为RF输出。

图2. I路径分析
或者,假设仅向Q输入施加一个频率为x的信号音。Q混频器进而产 生信号音为LO频率±x的输出。由于没有信号施加于I输入,其混频 器输出静音,Q混频器的输出直接成为RF输出。

图3. Q路径分析
乍看起来,图2和图3的输出似乎完全相同。但实际上,二者有一个 关键差异,那就是相位。假设将相同信号音同时施加于I和Q输入, 并且输入通道之间存在90°相移,如图4所示。

图4. 同时施加I和Q信号的路径分析
仔细审视混频器输出,我们观察到:LO频率加输入频率的信号是 同相的,但LO频率减输入频率的信号是异相的。这导致LO上侧的信 号音相加,而下侧的信号音相消。没有任何滤波,我们便消除了其 中一个信号音(或边带),产生的输出完全位于LO频率的一侧。
在图4所示例子中,I信号比Q信号超前90°。如果变更配置使得Q信 号比I信号超前90°,那么可以预期会有类似的相加和相消,但在这 种情况下,所有信号将出现在LO的下侧。

图5. 信号音位置取决于I和Q的相位关系
上面的图5显示了一个复数发射机的实验室测量结果。左边显示的 是I比Q超前90°的测试案例,其导致输出信号音位于LO的上侧。图5 右边显示了相反的关系,即Q比I超前90°,由此得到的输出信号音位 于LO下侧。
理论上应当可以让全部能量仅落在LO的一侧。然而,如图5中的实 验室测量结果所示,在实践中完全相消是不可能发生的,有一些 能量会留在LO的另一侧,这就是所谓镜像。还应注意,LO频率的 能量也是存在的,称为LO泄漏或LOL。结果中还可以看到其他能 量—这些是所需信号的谐波,本文不予以讨论。
为了完全消除镜像,I和Q混频器输出的幅度必须完全一致,而在LO 镜像侧上彼此之间的相位恰好相差180°。如果不能满足上述相位 和幅度要求,那么图4所示的相加/相消过程就会不太理想,镜像频 率的能量仍会存在。
采用常规单混频器架构时,产生LO±产物。发射之前需要消除其中 一个边带,通常是通过增加带通滤波器来消除。滤波器的滚降频 率必须适当,使其既能消除不需要的镜像信号,又不会影响需要 的信号。

图6.单混频器镜像滤波器要求
镜像和所需信号之间的间隔会直接影响到对滤波器的要求。如果间隔较大,可以使用滚降较缓的简单低成本滤波器。如果间隔较窄,设计必须实现具有陡峭响应的滤波器,通常采用多极点或SAW滤波器。因此可以说,镜像和所需信号之间必须保持适当的间隔,以便可以滤除镜像而不影响所需信号;该间隔与滤波器的复杂度和成本成反比。此外,如果LO频率可变,滤波器必须可调谐,这会进一步增加滤波器的复杂度。
镜像和所需信号之间的间隔由施加于混频器的信号决定。图6中的例子显示一个与DC相距10 MHz的10 MHz带宽信号。相应的混频器输出将镜像置于与所需信号相距20 MHz的地方。这种配置中,为在输出端实现10 MHz的所需信号频谱,必须让一条20 MHz基带信号路径连接到混频器。10 MHz的基带带宽未使用,混频器电路的数据接口速率高于必要水平。
回到图5所示的复数混频器,我们知道其架构消除了镜像而无需外部滤波。而且,在零中频架构中可以优化效率,使得信号路径处理带宽等于所需信号带宽。图7所示的概念图说明了其实现原理。如上所述,如果I比Q超前90°,则仅LO上侧会有输出。如果Q比I超前90°,则仅LO下侧会有输出。因此,如果产生两个独立基带信号,其中一个设计成仅产生上边带输出,另一个设计成仅产生下边带另一个设计成仅产生下边带输出,那么可以在基带中将其相加并施加于复数发射机。结果将是具有不同信号的输出出现在LO上侧和下侧。在实际应用中,组合基带信号以数字方式产生。图7所示求和节点仅是为了说明此概念。

图7.零中频复数混频器架构
Ceva Richard Kingston:2024半导体市场将出现