时间:2017-03-23 10:55
人气:
作者:admin
智能手机内部集成了多种设备,为了形成行业统一标准,MIPI联盟发起MIPI(移动行业处理器接口)作为移动应用处理器制定的开放标准。那么如何解析MIPI中的显示模组接口协议MIPI-DSI呢?
MIPI是2003年由ARM,Nokia,ST,IT等公司成立的一个联盟,旨在把手机内部的接口如存储接口,显示接口,射频/基带接口等标准化,减少兼容性问题并简化设计。
MIPI联盟有不同的工作组,分别定义一系列的手机内部接口标准,如摄像头接口CSI、显示接口DSI、射频接口DigRF等。统一接口标准的好处是手机厂商可以根据需要从市面上灵活选择不同的芯片和模组,方便快捷的进行外观和功能的设计。
图1 MIPI联盟
下图2所示MIPI结构分为物理层、协议层和应用层。目前比较成熟的MIPI应用有摄像头CSI接口、显示屏DSI接口和基带和射频间DigRF接口,而其他例如UFS、LLI等规范正在逐步制定和完善过程中。

图2 MIPI接口结构
MIPI-DSI属于MIPI子协议,为 Display工作组制定的关于显示模组接口的规范标准。MIPI-DSI使用D-PHY作为物理层传输。
D-PHY采用1对源同步的差分时钟和1~4对差分数据线来进行数据传输。数据传输采用DDR方式,即在时钟的上下边沿都有数据传输。
(1)D-PHY传输状态:低功耗LP和高速HS。
LP(单信号0V~1.2V):低功耗模式,10Mbps传输速度、异步传输,主要用于传输控制命令。
HS(差分信号100mv~300mv):高速模式,80M~1Gbps传输速度、同步传送,用于传输高速图像数据。
HS差分和LP单信号如图3所示。

图3 单端信号和差分信号
(2)D-PHY三种模式:控制模式(Control Mode)、Escape Mode、和高速模式(HS Mode)
其中前两种模式都属于LP状态下的两种模式,高速模式属于HS状态, Escape Mode被定义为LP状态下的一种比较特殊的操作模式。

图4 MIPI DSI应用
MIPI-DSI利用单端和差分信号线进行数据传输,LP模式下进行单端数据传输,HS模式下进行差分数据传输,使用可以双向传输的Data0+/Data0-数据Lane进行配置。
MIPI-DSI的数据传输格式以数据包为基本单元传输,数据包的类型分为 短数据包和长数据包。
(1)、短数据包:4 bytes(固定长度)主要用于传输命令、读写寄存器;
数据包包头:
· 数据标识符(DI)*1byte:含虚拟数据通道【7:6】和数据类型【5:0】。
· 数据包*2 byte:要传送的数据,长度固定两个字节。
· 误差校正码(ECC)*1byte:可以把一个位的错误纠正。

图5 短数据包结构
(2)、长数据包:6~65541 bytes(动态长度)主要用于传输大量图像数据或者部分控制命令。
数据包报头(4 bytes):
· 数据标识符(DI)*1byte:含虚拟数据通道【7:6】和数据类型【5:0】。
· 字节数(WC)*2 byte:要传送的数据,长度固定两个字节。
· 误差校正码(ECC)*1byte:可以把一个位的错误纠正。
· 有效传送数据(6~65541 bytes):最大字节=2^16。
· 数据包页脚(2 byte):校验。

图6 长数据包结构
(1) 现场模拟MIPI-DSI协议,使用数据挖掘型示波器ZDS4054 Plus,其免费标配MIPI-DSI协议低速LP模式解码功能,具体操作如下图7所示。

图7 解码步骤
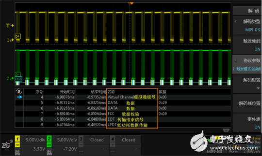
(2) ZDS4054 Plus标配512Mpts的存储深度,且可对全内存数据进行解码,MIPI-DSI协议解码界面如图8所示。可通过事件表查看具体的解码内容,也可以将事件表中的内容通过导出报表的格式将其导出。

图8 解码界面
(3) 对长时间监测的数据进行数据异常分析时,可在示波器的缩放模式下使用双ZOOM多窗口显示的功能,对信号进行多窗口异常监测和分析,可就某一个数据帧或某一个数据点进行分析,通过查看放大数据细节,找出异常,如下图9所示。

图9 细节分析
Ceva Richard Kingston:2024半导体市场将出现