全球最实用的IT互联网信息网站!
AI人工智能P2P分享&下载搜索网页发布信息网站地图
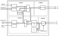
为什么要用Serdes?
阅读全文2023-09-01
什么是可测试性设计 可测试性评估详解
EDA形式化验证漫谈:仿真之外,验证之内
思尔芯全面的数字EDA解决方案亮相IDAS,赋能芯片
阅读全文2023-08-31
ic设计是芯片设计吗 数字ic设计流程及工具介绍
阅读全文2023-08-30
晶圆级芯片封装技术上市公司有哪些 晶圆级封装
物理验证在先进芯片设计中的核心地位
半导体工艺里的湿法化学腐蚀
中微电携自研GPU产品亮相ELEXCON深圳国际电子展
阅读全文2023-08-29
芯片国产替代选型指南(一)
Microchip通过设计内signoff DRC在成熟节点定
圣邦微电子连续第十八年荣获“十大中国
西门子EDA工具如何助力行业克服技术挑战
3.5D Chiplet技术典型案例解读
CPU | 内存 | 硬盘 | 显卡 | 显示器 | 主板 | 电源 | 键鼠 | 网站地图
Copyright © 2025-2035 诺佳网 版权所有 备案号:赣ICP备2025066733号 本站资料均来源互联网收集整理,作品版权归作者所有,如果侵犯了您的版权,请跟我们联系。