时间:2022-07-27 11:52
人气:
作者:admin
固态照明是汽车领域的一项支持技术,它提供了新的功能、更高的安全性、设计灵活性、更容易与控制系统和电子设备集成,以及在照明设计方面更大的自由度,同时还允许每个制造商描述其风格和理念。
车载电子控制装置具有许多功能:一些涉及挡风玻璃雨刷系统,另一些涉及空调系统。电源管理系统不仅涵盖照明解决方案,还涵盖信息娱乐解决方案,以提供舒适和安全的驾驶体验。
LED技术通过新功能和电子控制系统的开发不断更新;现代设计不仅涉及光源,还涉及光本身的形状、投影和图像。
LED 技术成功的主要原因在于较冷的色温(通常为 5,000 K),这使汽车更具科技感和金属感,其用途广泛,可以产生薄而均匀的光线进一步个性化车辆美学的指南。然而,由于更高的光强度和更高的安全性,LED 还提供了更大的投影深度。
能源管理
对振动不敏感、寿命长、能效高以及可以完全控制光源是 LED 在车辆中应用的基本因素。LED 易于控制也使其成为能够适应车辆和环境条件的智能照明系统的自然选择。为了正确驱动 LED 并实现高效的光输出,需要独立于电源电压的电流控制。
因此,驱动 LED的更好解决方案是使用电流控制电路。LED 通常需要恒定电流来产生一致的光输出:LED 驱动器必须能够改变输出电压以保持恒定电流。输出电压将取决于许多参数,例如 LED 制造工艺、模具温度和串联 LED 的数量。
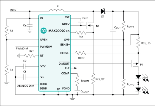
汽车行业使用的所有开关稳压器和 LED 显示驱动器均符合 AEC-Q100 标准。MAX20090 是一款单通道高亮度 LED 驱动器,适用于汽车前灯应用,例如远光灯、近光灯、日间行车灯、方向指示灯、雾灯和其他 LED 灯。LMR23610ADDA 是一款采用 8 引脚 PowerPAD 封装的 Simple Switcher 同步降压转换器。它是一款适用于各种应用的 36V、1A 同步降压稳压器,具有 4.5V 至 36V 的宽输入电压范围。峰值电流控制用于实现简单的控制电路补偿。NCP3065 是一款单片开关稳压器,旨在为高亮度 LED 提供恒定电流。该器件具有高达 40 V 的宽输入电压,以支持 12-VAC 或 12-VDC 操作。

MAX20090框图
LED解决方案
汽车前照灯是一种高科技照明装置,在设计和安全方面具有非常重要的作用。LED 技术提供了全新的解决方案,其使用寿命等同于车辆的使用寿命,与其他解决方案相比,它消耗的能源约为五分之一,从而降低了油耗和二氧化碳排放量。
车内环境照明概念近年流行,以橙色等单色调调车内与外部环境的亮度,减轻夜间驾驶疲劳。
RGB 静态照明始于 2010 年,营造出令乘客愉悦的氛围。其次是对不同场景的动态照明效果的需求,例如进入车辆时的欢迎灯效果和紧急情况下的驾驶员警告灯,例如预碰撞警告和盲点瞄准。
RGB 环境照明项目复杂且昂贵。它需要对用于校准、制造和测试的测量设备进行大量投资。设计人员总是面临着改变 RGB LED 混合显色性的挑战。这是由颜色和亮度组内的强度和波长变化以及对正向电流和温度的依赖性引起的。
在此背景下,DOMINANT 通过名为 seddLED(智能嵌入式数字驱动器 LED)的新系列提供解决方案,这是世界上将 RGB LED、LED 驱动器和高级通信链路集成在一个封装中的数字 LED。

seddLED(智能嵌入式数字驱动LED)
“从概念车设计来看,我们可能会看到汽车座垫照明、车顶照明、全环境照明和 AR HUD 将是汽车的未来趋势,”DOMINANT 营销总监 YY Lim 说。“车身照明、车对车或车对行人通信显示或标牌投影照明可能很快就会推出。这些新趋势将很快实现,尤其是当自动驾驶汽车越来越受欢迎时。”
seddLED3.0 包括通过软件进行的全数字 RGB 颜色和亮度控制,并预校准到 D65 白点,精度在 1,400 mcd 的三个 SDCM 步骤内。此外,它还提供 2 Mbit/s 半双工差分控制总线和每个 LED 52.5 µs 的快速刷新率(每 100 个 LED 5.25 ms)。内置温度传感器,可实时进行自动温度补偿,并具有自诊断功能。
该封装还通过金引线框架提供卓越的耐腐蚀性,并通过了汽车 AEC-Q100 和 AEC-Q102 标准的认证。seddLED3.0 提供了更大的设计自由度,可以在乘客舱中营造不同的氛围。

标准 RGB LED 和 A3A-FKG-RGB-1 之间颜色范围的比较。A3A-FKG-RGB-1 具有预校准的真绿色和蓝色,具有出色且稳定的色域。
在市场上,日亚 (Nichia) 和英飞凌 (Infineon) 已经为前照明应用的高清 (HD) 照明设备设计了超过 16,000 个微型 LED。与当前的高清解决方案不同,新设备为驾驶员的整个视野提供高分辨率光。
日间行车灯可能代表了 LED 技术在汽车领域最常见的用途。由于光源的小尺寸和高亮度的多功能性,LED 系统可以创建可以轻松集成到汽车前照灯中的光学解决方案。
欧司朗还一直专注于汽车领域,为汽车的内部和外部提供 LEDriving 灯,提供全方位的投影和信号。对于投影灯,可以使用 HL 系列(近光灯和远光灯)和 FL 系列(雾灯)来匹配全系列的信号灯 (SL)。用于近光灯和远光灯的 LEDriving HL 取代了 H4、H7、H11 和 HB4 卤素灯。
近距离多芯片 LED 光源和全反射的使用允许精确的截止(光和阴影区域之间的干净截止)并显着减少漫射光,所有这些都具有照明深度和减少眩光的优势。
前照灯 LED 技术中最先进的解决方案基于矩阵 LED 系统,即能够提供自动适应深度光的动态 LED 阵列,以防止来自相反方向的车辆产生眩光。
审核编辑:汤梓红