全球最实用的IT互联网信息网站!
AI人工智能P2P分享&下载搜索网页发布信息网站地图
从LED照明大乱斗 看未来三大趋势
阅读全文2014-11-03
LED产业开启集中化步伐,两年内生死立判
阅读全文2014-10-30
三星黯然离场 LED照明行业进入整合“深水区”
阅读全文2014-10-29
牛人教你制造超大号“卖萌”LED灯
阅读全文2014-10-27
精英汇聚,探讨智能照明前沿技术-ETD第11期
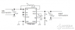
高亮度LED照明的驱动电路 — 电路图天天读(32)
MSP430在单电池供电的LED照明中的应用电路
简单5步教你制作DIY无线LED灯
阅读全文2014-10-26
高效高可靠性LED驱动设计心得技巧分享
阅读全文2014-10-23
电路图天天读(28):无线LED照明供电系统电路模
阅读全文2014-10-21
显示器低蓝光(ChinaMark)认证
友达光电的Micro LED生产线预计2025年启动量
艾迈斯欧司朗CIOE人气旺 众多新产品亮点
第二代全新升级LED全息屏:无龙骨设计引
CPU | 内存 | 硬盘 | 显卡 | 显示器 | 主板 | 电源 | 键鼠 | 网站地图
Copyright © 2025-2035 诺佳网 版权所有 备案号:赣ICP备2025066733号 本站资料均来源互联网收集整理,作品版权归作者所有,如果侵犯了您的版权,请跟我们联系。