TPS23734 器件结合了以太网供电 (PoE) 受电设备 (PD) 接口和针对反激式和有源钳位正向 (ACF) 开关稳压器设计进行了优化的电流模式 DC-DC 控制器。在反激式配置的情况下,支持使用初级侧调节 (PSR)。PoE 接口支持 IEEE 802.3bt 和 IEEE 802.3at 标准,适用于 PD 输入时需要高达 25.5 W 或更低功率的应用。
提供可编程扩频频率抖动 (SSFD),以最大限度地减少 EMI 滤波器的尺寸和成本。具有可调节软启动功能的高级启动有助于使用最小的偏置电容器,同时简化转换器启动和打嗝设计,同时确保满足 IEEE 802.3bt /at 启动要求。
*附件:tps23734.pdf
软停止功能可最大限度地减少开关功率 FET 的压力,从而降低 FET BOM 成本。
DC-DC 控制器的 PSR 功能使用来自辅助绕组的反馈来控制输出电压,无需外部并联稳压器和光耦合器。它针对连续导通模式 (CCM) 进行了优化,可与次级侧同步整流配合使用,从而在多个输出上实现最佳效率、调节精度和阶跃负载响应。
DC-DC 控制器具有斜率补偿和消隐功能。典型开关频率为 250 kHz。
自动 MPS 支持具有低功耗模式或多个电源馈电的应用。它根据 PSE 类型和系统条件自动调整其脉冲电流幅度和持续时间,以保持功率,同时最大限度地减少消耗。
特性
- 完整的 IEEE 802.3bt Type 3(1-4 类)和 802.3at PoE PD 解决方案
- EA Gen 2 徽标就绪(PoE 2 PD 控制器)
- 坚固耐用的 100 V、0.3 Ω(典型值)热插拔 MOSFET
- 支持高达 30W 工作电压的功率水平
- 集成PWM控制器,用于反激式或有源钳位正向配置
- 带初级侧调节的反激式控制
- 支持 CCM作
- ±1.5%(典型值,5V 输出)负载调节(0-100% 负载范围)— 带同步 FET
- ±3%(典型值,12V 输出)负载调节(5-100% 负载范围)— 二极管整流
- 还支持二次侧调节
- 软启动控制,具有高级启动和打嗝模式过载保护
- 软停止关断
- 可调频率同步
- 用于 EMI 的可编程频率抖动
- 自动保持电源签名 (MPS)
- 自动调整为 PSE 类型和负载电流,具有自动拉伸功能
- 主适配器优先级输入
- –40°C 至 125°C 结温范围
参数

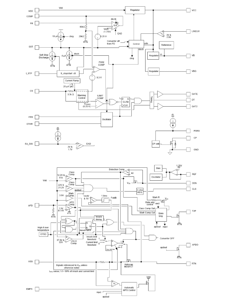
方框图

1. 核心特性
- PoE兼容性:完整支持IEEE 802.3bt Type 3(Class 1-4)及802.3at标准,集成100V/0.3Ω(典型值)热插拔MOSFET,支持最高30W功率。
- 高效DC-DC控制:
- 集成PWM控制器,支持反激(Flyback)或有源钳位正激(Active Clamp Forward)拓扑。
- 反激配置支持原边调节(PSR),无需光耦反馈,典型负载调节精度±1.5%(5V输出)或±3%(12V输出)。
- 可编程频率(250kHz典型值)及同步功能,支持频率抖动(EMI优化)。
- 自动维护电源签名(MPS) :根据PSE类型和负载电流自动调整脉冲电流幅度与持续时间,确保供电连续性。
- 适配器优先级:通过APD引脚实现辅助电源优先接入,支持冗余电源或功率共享。
2. 关键应用场景
- 网络设备:IP电话、无线接入点、安防摄像头。
- 工业与冗余系统:需高可靠性供电的场景。
3. 功能模块详解
- PoE接口:
- 检测与分类:25.5kΩ检测电阻(RDEN),支持Class 0-4硬件分类(通过CLS引脚电阻配置)。
- 热插拔保护:内置MOSFET提供浪涌电流限制(140mA典型值)和过流保护(0.925A)。
- DC-DC控制器:
- 软启动/软停止:通过SST引脚电容调节启动时间,降低开关应力。
- 电流模式控制:CS引脚检测开关管电流,支持斜率补偿(内部或外部电阻RS)。
- 反馈选项:支持PSR(原边调节)或光耦反馈(通过COMP引脚)。
- 保护机制:
- 输入欠压锁定(UVLO) :VDD阈值37.6V(开启)/32V(关闭),VCC阈值8.25V(开启)/6.1V(关闭)。
- 过热关断(OTSD) :结温超过155℃(典型值)时关闭输出。
4. 设计要点
- 布局与EMI:
- 优先短路径布线(如电流检测电阻至CS引脚),减少开关噪声干扰。
- 频率抖动(SSFD)可通过DTHR引脚电容/电阻配置,降低传导EMI。
- 热管理:
- 裸露焊盘PAD_S(VSS)和PAD_G(RTN)需连接大面积铜箔散热。
- 适配器ORing:支持三种电源输入方案(PoE优先、适配器优先或输出侧ORing),需注意隔离与TVS保护。
5. 典型应用电路
- 输入保护:100V TVS管(如SMAJ58A)防护以太网端口浪涌。
- 输出调节:TLV431+光耦实现次级反馈(非PSR模式时)。
- 同步整流:GAT2引脚驱动次级同步MOSFET(需配置DT引脚死区时间)。
6. 文档支持
- 包含完整电气特性表、引脚功能说明、典型性能曲线及封装信息(45引脚VQFN)。
- 参考设计指南详见配套EVM手册(TPS23734EVM-094)。