该TPS23882是一款 8 通道供电设备 (PSE) 控制器,旨在根据 IEEE 802.3bt 标准将电源插入以太网电缆。PSE 控制器可以检测具有有效签名、完全相互识别并通电的受电设备 (PD)。
该TPS23882通过减少电流检测电阻、SRAM 可编程性、可编程功率限制、电容测量以及与 TI 的 FirmPSE系统固件的兼容性(参见 器件比较表 )改进了TPS2388。
*附件:tps23882.pdf
可编程SRAM支持现场固件升级,通过I^2^C 确保 IEEE 合规性以及与最新支持 PoE 的设备的互作性。每个端口专用的ADC提供连续的端口电流监测,并能够执行并行分类测量,以加快端口导通时间。1.25A 端口电流限制和可调节功率限制允许支持 60W 以上的非标准应用。200mΩ电流检测电阻和外部FET架构使设计能够平衡尺寸、效率、散热和解决方案成本要求。
端口重新映射以及与TPS2388、TPS23880和 TPS23881 设备的引脚到引脚兼容性简化了从上一代 PSE 设计的迁移,并支持可互换的 2 层 PCB 设计,以适应不同的系统 PoE 电源配置。
特性
- IEEE 802.3bt PSE 解决方案,适用于 PoE 2 Type-3 2 对以太网供电应用
- 与 TI 的 FirmPSE系统固件兼容
- SRAM可编程存储器
- 可编程功率限制精度 ±3%
- 200mΩ电流检测电阻
- 传统局部放电电容测量
- 可选的 2 对端口功率分配
- 每个端口专用的 14 位积分电流 ADC
- 1位或3位快速端口关断输入
- 自动分级发现和功耗测量
- 永不上当 4 点检测
- 浪涌和作折返保护
- 425mA 和 1.25A 可选电流限制
- 端口重新映射
- 8位或16位I^2^C通信
- 灵活的处理器控制作模式
- 每个端口电压监控和遥测
- –40°C 至 +125°C 工作温度
参数

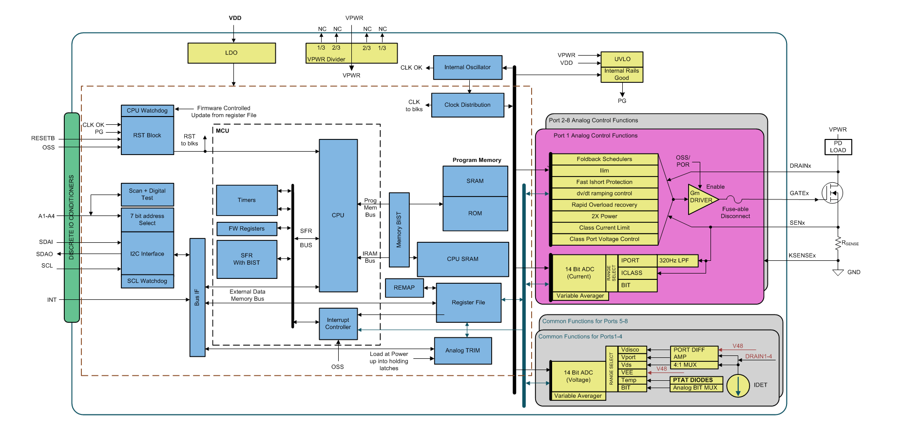
方框图

1. 产品概述
TPS23882是德州仪器(TI)推出的符合IEEE 802.3bt标准的8通道供电设备(PSE)控制器,专为2-Pair Power over Ethernet(PoE)应用设计。其主要特性包括:
- 支持IEEE 802.3bt Type-3 2-Pair PoE供电
- 集成SRAM可编程存储器,支持固件升级
- 8个独立通道,每通道配备14位高精度ADC
- 可编程功率限制(±3%精度)和200mΩ电流检测电阻
- 支持自动分类(Autoclass)、端口重映射和快速关断优先级
2. 关键特性
- 供电能力:支持2-Pair端口功率分配(4W/7W/15.4W/30W)
- 检测与分类:
- 4点高可靠性负载检测
- 多事件分类(含100ms长分类事件用于Autoclass识别)
- 保护功能:
- 浪涌和运行中的电流折返保护
- 425mA/1.25A可选电流限制
- 过热关断(-40°C至+125°C工作范围)
- 通信接口:支持8位/16位I²C配置
3. 应用场景
- 网络视频录像机(NVR/DVR)
- 小型企业交换机
- 园区和分支机构交换机
4. 架构与功能模块
- SRAM可编程性:支持现场固件升级,确保IEEE合规性。
- 端口重映射:允许逻辑端口与物理通道的灵活配置。
- 多优先级关断:支持1位或3位关断优先级控制。
- ADC监测:每通道独立ADC用于电压/电流监测和遥测。
5. 电气特性
- 工作电压:VPWR(44-57V)、VDD(3.3V±0.3V)
- 典型功耗:VPWR 12.5mA、VDD 12mA
- 检测电阻范围:19-26.5kΩ(有效负载)
6. 寄存器与配置
- 提供完整的I²C寄存器集,支持:
- 端口模式设置(自动/半自动/手动诊断)
- 功率分配策略(通过0x29寄存器)
- 故障事件记录(如过流、欠压、热关断)
7. 设计支持
- 布局建议:强调Kelvin电流检测电阻的PCB布局优化。
- 典型应用电路:包含TVS保护、MOSFET选型(如CSD19538Q3A)和变压器接口设计。
8. 文档与支持
- 配套资源:EVM用户指南、SRAM编程指南、IEEE 802.3bt兼容性说明。
- 安全模式:SRAM故障时自动进入安全模式,保留基础保护功能。