该TPS2373包含实现 IEEE802.3at 或 IEEE802.3bt(草稿)(1-4 型)受电设备 (PD) 所需的所有功能。低内部开关电阻使 TPS2373-4 和 TPS2373-3 能够分别支持高达 90 W 和 60 W 的高功率应用。假设 100 米长的 CAT5 电缆,这相当于 71.3 W 和 51 W 的 PD 输入。
该TPS2373具有增强的功能。
*附件:tps2373.pdf
DC-DC的高级启动功能可实现简单、灵活且系统成本最低的解决方案,同时确保满足IEEE802.3bt(草案)启动要求。它有助于大大减小低压偏置电容器的尺寸。它还允许较长的DC-DC转换器软启动周期,并支持使用低压PWM控制器。
自动 MPS 功能支持需要极低功耗待机模式的应用。该TPS2373自动产生必要的脉冲电流以维持 PSE 功率。外部电阻器用于启用此功能并对MPS脉冲电流幅度进行编程。
特性
- 适用于 3 类或 4 类 PoE 的 IEEE 802.3bt(草案)PD 解决方案
- 支持 Type-4 (TPS2373-4) 90W 和 Type-3 (TPS2373-3) 60W作的功率水平
- 坚固耐用的 100 V 热插拔 MOSFET
- TPS2373-4(典型值):0.1-Ω、2.2A 电流限制
- TPS2373-3(典型值):0.3-Ω、1.85-A 电流限制
- 分配功率指示器输出
- DC-DC的高级启动
- 自动保持电源签名 (MPS)
- 自动调整 1-2 型或 3-4 型 PSE 的 MPS
- 支持超低功耗待机模式
- 主适配器优先级输入
- 支持 PoE++ PSE
- -40°C 至 125°C 结温范围
- 20引脚VQFN封装
参数

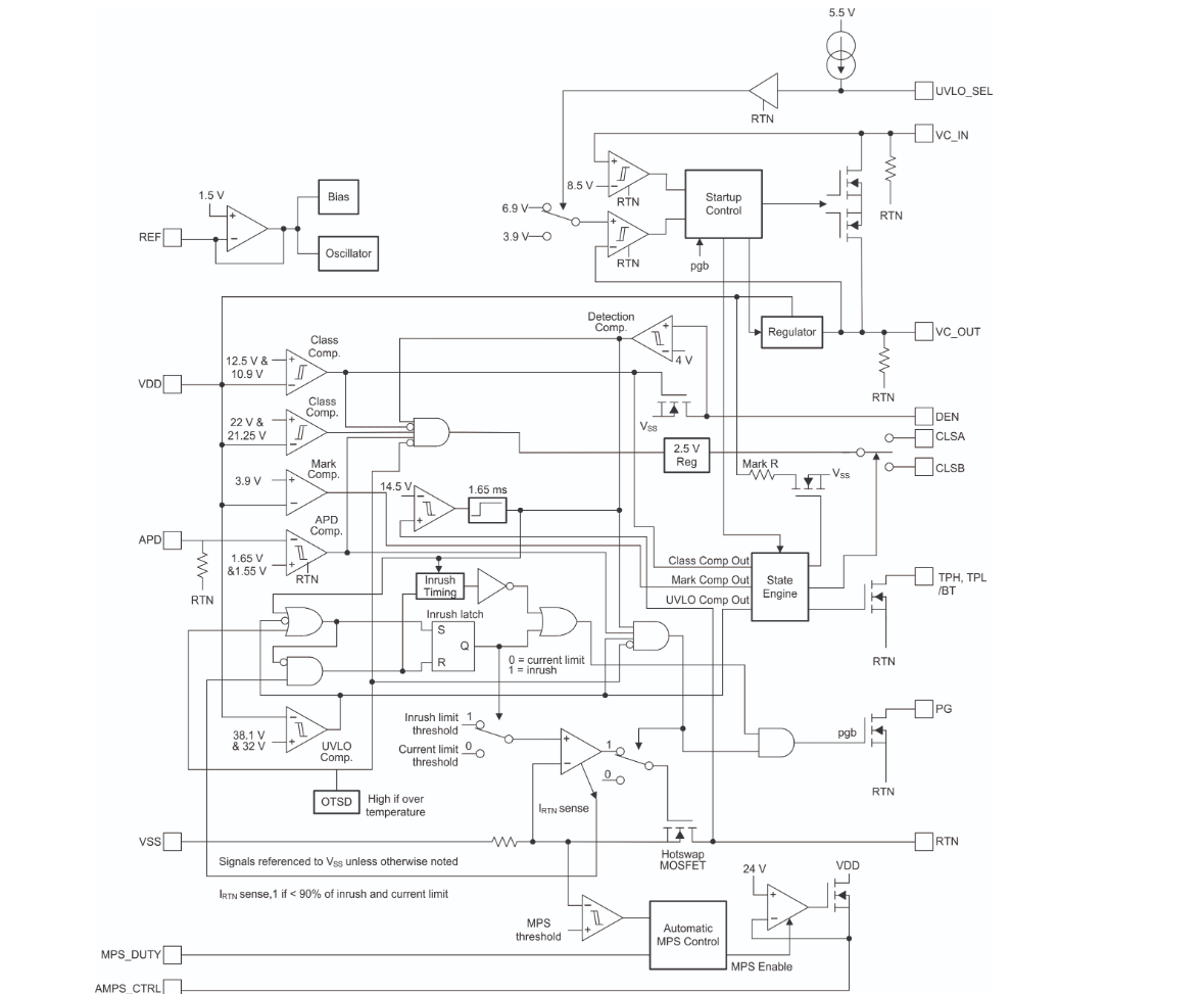
方框图

1. 产品概述
TPS2373是德州仪器(TI)推出的高功率PoE(以太网供电)PD(受电设备)接口芯片,符合IEEE 802.3bt标准草案,支持Type-3(60W)和Type-4(90W)功率等级。其核心特性包括:
- 高集成度:内置100V耐压的Hotswap MOSFET(Type-3:0.3Ω,Type-4:0.1Ω)及电流限制功能。
- 先进启动技术:简化下游DC-DC设计,支持长软启动周期和低压PWM控制器。
- 自动MPS(维持电源签名) :适配Type 1-4 PSE,支持超低功耗待机模式。
- 辅助电源优先级(APD) :支持外部适配器优先供电。
2. 关键特性
- 功率支持:Type-4(TPS2373-4)支持90W,Type-3(TPS2373-3)支持60W。
- 电流限制:Type-4典型值2.2A,Type-3典型值1.85A。
- 工作温度:-40°C至125°C结温范围。
- 封装:20引脚VQFN(5mm×5mm),带散热焊盘。
3. 应用场景
- IEEE 802.3bt兼容设备(如4PPOE系统)
- 安防摄像头、多频接入点、微型基站
- VoIP电话、视频终端及冗余供电系统
4. 功能模块详解
- 检测与分类:通过DEN引脚(24.9kΩ电阻)实现IEEE标准检测,CLSA/CLSB引脚配置分类电流(如Class 4需63.4Ω电阻)。
- 电源管理:
- PG引脚:指示启动完成(低电平为浪涌阶段)。
- VC_IN/VC_OUT:为下游DC-DC控制器提供偏置电源,支持高级启动逻辑。
- MPS控制:通过AMPS_CTL和RMPS电阻生成脉冲电流维持PSE连接。
- 热保护:过温关断(OTSD)阈值典型值158°C,带滞回保护。
5. 设计要点
- 布局建议:优先考虑电源路径最短化,散热焊盘需连接至VSS并大面积覆铜。
- EMI抑制:推荐使用紧凑环路设计、共模电感及屏蔽RJ-45接口。
- 典型电路:需配置TVS管(如SMAJ58A)、输入桥式整流器(建议3-5A Schottky二极管)及分压网络(如APD引脚RAPD1=221kΩ,RAPD2=10kΩ)。
6. 文档结构
- 电气特性:包含绝对最大额定值、ESD等级、热阻参数等。
- 典型曲线:提供检测电流、UVLO阈值、MPS脉冲时序等实测数据。
- 机械信息:封装尺寸(RGW0020B)、焊盘布局及钢网开孔建议。