该TPS23751是一款 16 引脚集成电路,结合了以太网供电 (PoE) 受电设备 (PD) 接口和电流模式 DC-DC 控制器,专门针对在宽负载范围内需要高效率的应用进行了优化。
PoE 接口实现符合 IEEE 802.3at 的 2 类硬件分类。它还包括辅助电源检测 (APD) 输入和禁用功能 (DEN)。0.5 Ω、100V 通道 MOSFET 可最大限度地减少散热并最大限度地提高功耗。
*附件:tps23751.pdf
DC-DC控制器具有内部软启动、自举启动电流源、带斜率补偿的电流模式控制、消隐和限流功能。通过禁用同步整流和进入变频作(VFO),在轻负载下提高效率。
该TPS23752是该TPS23751的20引脚扩展版本,增加了睡眠模式功能。睡眠模式禁用转换器以最大限度地降低功耗,同时仍生成IEEE802.3at所需的保持电源特征(MPS)。
特性
- 带状态标志的 IEEE 802.3at 分类
- 宽负载范围内的高效解决方案
- 为高达 25.5 W PD 供电
- 坚固耐用的 100 V、0.5 Ω热插拔 MOSFET
- 同步整流器禁用信号
- PowerPAD™ TSSOP 封装
- 完整的 PoE 接口和 DC-DC 控制器
- 适配器 ORing 支持
- 可编程频率
- TPS23752 支持超低功耗睡眠模式
- –40°C 至 125°C 结温范围
参数

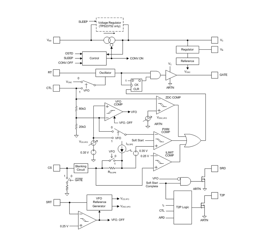
方框图

1. 产品概述
- 型号:TPS23751(16引脚)和TPS23752(20引脚,支持超低功耗睡眠模式)。
- 功能:集成PoE供电设备(PD)接口和高效电流模式DC-DC控制器,专为宽负载范围优化。
- 关键特性:
- 符合IEEE 802.3at标准,支持Type-2硬件分类,最大功率25.5W。
- 内置0.5Ω/100V热插拔MOSFET,降低散热需求。
- 可编程开关频率、同步整流禁用信号、适配器ORing支持。
- TPS23752新增睡眠模式,维持IEEE 802.3at要求的MPS(维持电源签名)。
2. 应用场景
- 视频/IP电话、多频接入点、安防摄像头、微型基站等PoE供电设备。
3. 核心模块说明
- PoE接口部分:
- 检测与分类:通过DEN(24.9kΩ电阻)和CLS(可调电阻)实现PD检测及功率分级。
- 输入保护:支持140mA浪涌电流限制,12V折叠保护阈值。
- T2P引脚:指示Type-2 PSE连接或适配器激活状态。
- DC-DC控制器:
- 工作模式:PWM(固定频率)与VFO(轻载变频)自动切换,优化效率。
- 关键引脚:CTL(控制环路输入)、SRD(同步整流禁用)、SRT(模式切换阈值设置)。
- 启动机制:内部软启动(3ms典型值),VC引脚自举供电(8.9V启动阈值)。
4. 电气特性
- 输入电压范围:40V至57V(PoE),VC偏置电压12.8V(睡眠模式)。
- 开关频率:226-276kHz(PWM模式),105-165kHz(VFO模式)。
- 热性能:结温范围-40°C至125°C,热阻39.5°C/W(TPS23751)。
5. 设计要点
- 布局建议:优先参考EVM评估模块布局,确保散热与信号完整性。
- 关键外围电路:
- 输入TVS二极管(如SMAJ58A)用于瞬态保护。
- VC引脚需低ESR电容(≥0.47μF)稳定供电。
- T2P引脚可通过光耦隔离反馈至次级。
6. 睡眠模式(TPS23752专属)
- 触发条件:SLPb引脚拉低,禁用转换器并维持MPS。
- 功耗控制:LED引脚驱动状态指示灯,支持直流或脉冲MPS模式。
- 唤醒机制:WAKE引脚检测按钮信号,通过光耦通知系统控制器。
7. 安全与兼容性
- ESD保护:符合EN61000-4-2标准(接触放电8kV,空气放电15kV)。
- IEEE 802.3at合规:支持两事件分类、80ms启动电流限制(≤400mA)。
8. 封装与订购信息
- 封装类型:HTSSOP(PowerPAD™增强散热),16/20引脚可选。
- 环保选项:RoHS兼容,MSL2级湿度敏感度。
附:典型应用电路
- 包含输入桥式整流、APD分压网络、同步整流驱动及反馈环路设计(详见图32)。
本手册为高功率PoE设备设计提供完整解决方案,涵盖接口协议、电源控制及系统级保护设计。