TPS2379器件为8针集成电路 包含实现 IEEE802.3at Type-2 受电设备 (PD) 所需的所有功能 例如检测、分类、2 类硬件分类和 140mA 浪涌电流限制 启动期间。0.5 Ω的低内部开关电阻,结合增强的散热性能 PowerPAD 封装的耗散使该控制器能够连续处理高达 0.85 A 的电流。 该TPS2379集成了一个 0.5 Ω的低内部开关,可提供高达 0.85 A 的连续电流 在正常运行期间通过PD。TPS2379器件支持更高功率的应用 通过外部传递晶体管。该TPS2379包含多种保护功能,例如 热关断、限流折返和稳健的 100V 内部开关。
*附件:tps2379.pdf
特性
- IEEE 802.3at Type-2 硬件分类,带
状态标志 - 用于大功率扩展的辅助栅极驱动器
- 坚固耐用的 100V、0.5 Ω热插拔 MOSFET
- 1A(典型值)工作电流限制
- 140 mA(典型值)浪涌电流限制
- DC-DC转换器使能
- 15 kV/8 kV 系统级 ESD 能力
- PowerPAD™ HSOP 封装
参数

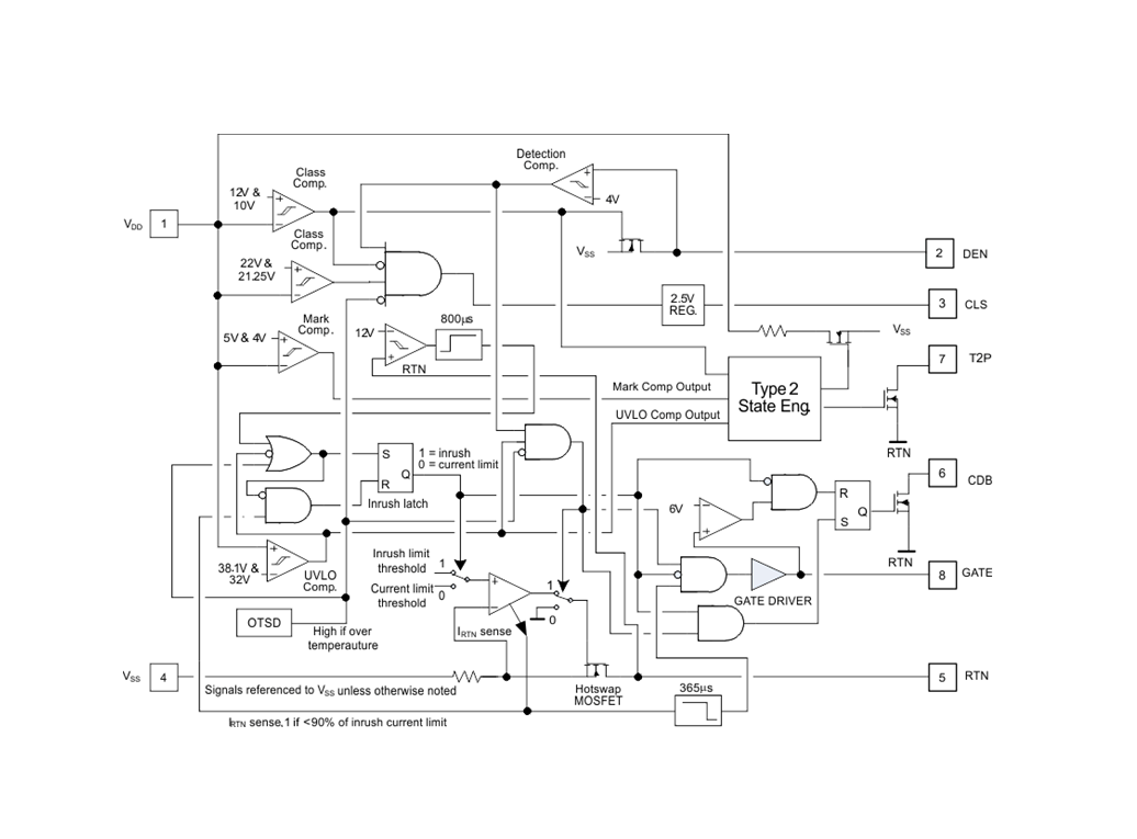
方框图

1. 产品概述
TPS2379是德州仪器(TI)推出的8引脚集成电路,专为IEEE 802.3at Type-2供电设备(PD)设计,集成检测、分类、Type-2硬件分类及140mA浪涌电流限制等功能。其核心特性包括:
- 内部0.5Ω热插拔MOSFET:支持0.85A连续电流,采用PowerPAD™ HSOP封装增强散热。
- 扩展能力:通过外部栅极驱动器支持更高功率应用(如视频电话、基站等)。
- 保护机制:热关断、电流限制折返及100V耐压内部开关。
2. 关键特性
- IEEE 802.3at兼容:支持Type-2硬件分类及状态标志。
- 动态功率管理:
- 检测电流范围:53.8–58.3μA(VDD=1.4V)。
- 分类电流:通过外部电阻(RCLS)编程,覆盖Class 0–4(如Class 4需63.4Ω)。
- 浪涌与运行保护:
- 浪涌电流限制:140mA(典型值)。
- 运行电流限制:1A(典型值)。
3. 应用场景
- 标准设备:符合IEEE 802.3at/UPOE的IP电话、无线接入点、安防摄像头。
- 高功率扩展:通过外部MOSFET支持非标应用(如60W系统)。
4. 功能模块详解
- DEN引脚:检测签名(24.9kΩ电阻)兼禁用控制(拉低关闭PD)。
- CLS引脚:分类电流编程,电阻值对应不同功率等级(如Class 4为63.4Ω)。
- GATE引脚:驱动外部MOSFET,增强功率扩展能力。
- T2P引脚:指示Type-2 PSE连接(低电平有效)。
5. 保护与可靠性
- ESD防护:15kV(空气放电)/8kV(接触放电)。
- 热管理:结温范围-40°C至125°C,内置热关断(145°C触发)。
- 输入保护:推荐TVS二极管(如SMAJ58A)抑制瞬态电压。
6. 设计要点
- 布局建议:优先短路径布线,分离高压与信号区域,PowerPAD需连接至VSS以优化散热。
- 输入桥接:建议使用低漏电Schottky二极管以减少损耗。
- 电容选择:VDD-VSS间需0.1μF陶瓷电容(符合IEEE标准)。
7. 典型电路
- 拓扑结构:集成输入桥、TVS、RCLS/RDEN网络,通过GATE控制外部MOSFET(如BUK7275-100A)扩展电流至2.26A。
- 时序控制:CDB引脚在浪涌结束后启用下游转换器,确保安全启动。
8. 文档支持
- 参考设计:SLVA498(60W PoE系统实现)。
- 封装信息:8引脚HSOP(4.89mm×3.90mm),热阻θJA=45.9°C/W。
总结
TPS2379为高功率PoE应用提供全集成的PD接口解决方案,兼具标准兼容性与扩展灵活性,适用于需高效电源管理的网络设备设计。