时间:2025-05-22 10:47
人气:
作者:admin
*附件:REN_DA1459x_开发板 硬件手册.pdf
*附件:DA1459x Pro开发套件 (469-16-D) 物料清单 (Zip).zip
*附件:DA1459x Pro开发套件 (469-16-D) PCBA- Gerber-文件 (Zip).zip
*附件:DA1459x Pro开发套件 (469-16-D) PCBA-源 (Zip).zip
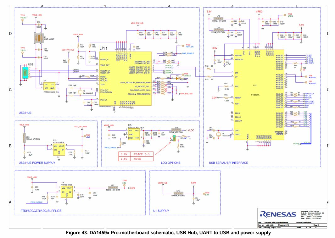
Renesas DA14594-006FDEVKT-P BLUETOOTH^®^ 低功耗Pro开发套件(用于DA14594 SmartBond™ SoC)包括主板、子板和电缆。该套件主要用于软件应用开发和功率测量。
Renesas DA14594是一款双核蓝牙5.3 SoC,包括256KB嵌入式闪存,支持定位2.0 Tx特性,包括到达角 (AoA)/出发角 (AoD)、资产跟踪和大规模定位 (ATLAS) AoA、Eddystone、iBeacon和无线测距 (WiRa™) Gen3响应器。DA14594可在非常低的功率水平下工作,同时提供世界一流的射频性能。DA14594采用FCQFN和WLCSP封装。



