时间:2025-03-12 15:59
人气:
作者:admin
MSPM0C1104具有 16KB 闪存、1KB SRAM、12 位 ADC 的 24MHz Arm® Cortex®-M0+ MCU
*附件:MSPM0C1104 中文数据手册.pdf
*附件:MSPM0C1104 用户指南.pdf
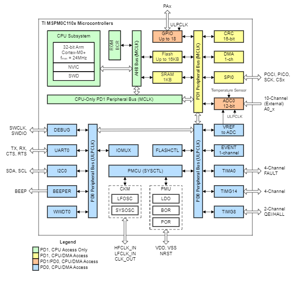
MSPM0C110x 微控制器 (MCU) 属于 MSP 高度集成的超低功耗 32 位 MCU 系列,该 MCU 系列基于增强型 Arm Cortex-M0+ 内核平台,工作频率最高可达 24MHz。这些低成本 MCU 提供高性能模拟外设集成,支持 -40°C 至 125°C 的工作温度范围,并在 1.62V 至 3.6V 的电源电压下运行。
MSPM0C110x 器件提供高达 16KB 的嵌入式闪存程序存储器和 1KB 的 SRAM。这些 MCU 包含精度为 -2% 至 +1.2% 的高速片上振荡器,无需外部晶体。其他特性包括单通道 DMA、CRC-16 加速器和各种高性能模拟外设(例如一个以 VDD 作为电压基准的 12 位 1.5Msps ADC 和片上温度传感器)。这些器件还提供智能数字外设,例如一个 16 位高级计时器、两个 16 位通用计时器、一个窗口化看门狗计时器和各种通信外设(包括一个 UART、一个 SPI 和一个 I2C)。这些通信外设为 LIN、IrDA、DALI、Manchester、Smart Card、SMBus 和 PMBus 提供协议支持。
TI MSPM0 系列低功耗 MCU 包含具有不同模拟和数字集成度的器件,可让客户找到满足其工程需求的 MCU。此架构结合了多种低功耗模式,并经过优化,可在便携式测量应用中延长电池寿命。
MSPM0C110x MCU 由广泛的硬件和软件生态系统提供支持,随附参考设计和代码示例,便于您快速开始设计。开发套件包括可供购买的 LaunchPad™ 套件和适用于目标插座板的设计文件。TI 还提供免费的 MSP 软件开发套件 (SDK),该套件在 TI Resource Explorer 中作为 Code Composer Studio™ IDE 桌面版和云版组件提供。MSPM0 MCU 还通过 MSP Academy 提供广泛的在线配套资料、培训,并通过 TI E2E™ 支持论坛提供在线支持。

总结 :MSPM0C1104凭借全球最小封装、高集成度与成本优势,成为紧凑型电子设备的核心解决方案,同时依托TI的生态系统,为工程师提供了从开发到部署的全链路支持。