时间:2024-12-10 10:05
人气:
作者:admin
吹风机一直以来都是消费者日常生活中的高频刚需产品,而高速风筒更是因为其快速干发、护发养发和低噪音的优势,逐渐成为家庭不可或缺的电器之一。
高速风筒通过采用高速电机和优化的气流设计,能够在短时间内快速吹干头发,同时减少噪音和能耗。然而,要实现这些功能,需要有一个稳定、可靠且智能的控制系统。MCU作为高速风简控制系统的核心,承担着传感器数据采集、高速电机控制、用户界面交互以及安全保护等多重任务。武汉芯源半导体CW32L010系列MCU可支持低成本、高性能、低功耗、高度集成的高速风筒方案,以满足市场对高效、安全、智能的高速风筒需求。

本文将介绍武汉芯源半导体CW32L010系列单片机在高速风筒的应用方案,该方案采用的是目前市场上主流的MCU+MOS+预驱方案,使用32位MCU CW32L010F8P6作为主控单元,无刷马达的开关电路采用分离的MOS,再配合预驱。这种方案的性价比高,匹配灵活,适合大规模生产。

CW32L010高速风筒应用方案概述
1、电机控制:CW32L010通过PWM信号精确控制电机转速,实现风速的平滑调节。同时,集成电流检测功能,实时监测电机工作状态,防止过载和过热。
2、温度控制:利用温度传感器和CW32L010的ADC功能,实时监测出风口温度,并通过PID控制算法自动调节加热元件功率,保持恒定温度输出。
3、用户界面:CW32L010通过按键接口接收用户指令,控制风速、温度等设置,并通过LED或LCD显示屏反馈当前状态。
4、安全保护:集成过热、过流、短路等保护功能,确保风筒在异常情况下自动断电,保障用户安全。
5、通信接口:可选配蓝牙、WiFi等无线通信模块,实现与智能手机APP的互联,提供远程控制、状态监测、智能推荐等功能。

图:CW32L010F8P6高速风筒应用框图
CW32L010高速风筒方案特点
1、高性能处理能力:主控采用CW32L010F8P6,基于ARM Cortex-M0+ 32位高速处理器内核,能够实时处理复杂的控制算法,确保风筒在不同风速和温度设置下的稳定运行。
2、低功耗设计:CW32L010采用特别工艺制程,将待机电流控制在0.3uA,高温待机电流是竞品平均水平的1/4~1/8。可延长风筒的电池寿命(对于可充电式风筒)或降低整体能耗(对于插电式风筒)。
3、高度集成:CW32L010F8P6集成了多种外设接口,所有型号都提供全套的通信接口(二路 UART、一路 SPI 和一路 I2C)、12 位高速 ADC、四组通用和基本定时器、一组低功耗定时器以及一组高级控制 PWM 定时器,方便与传感器、电机驱动器、显示屏等外围设备连接,简化电路设计,降低成本。
4、智能控制:支持多种智能控制算法,如温度控制、风速调节、过热保护等,提升用户体验,同时确保使用安全。
5、易于开发:武汉芯源半导体提供丰富的开发工具和软件库,支持快速原型设计和调试,缩短产品开发周期。

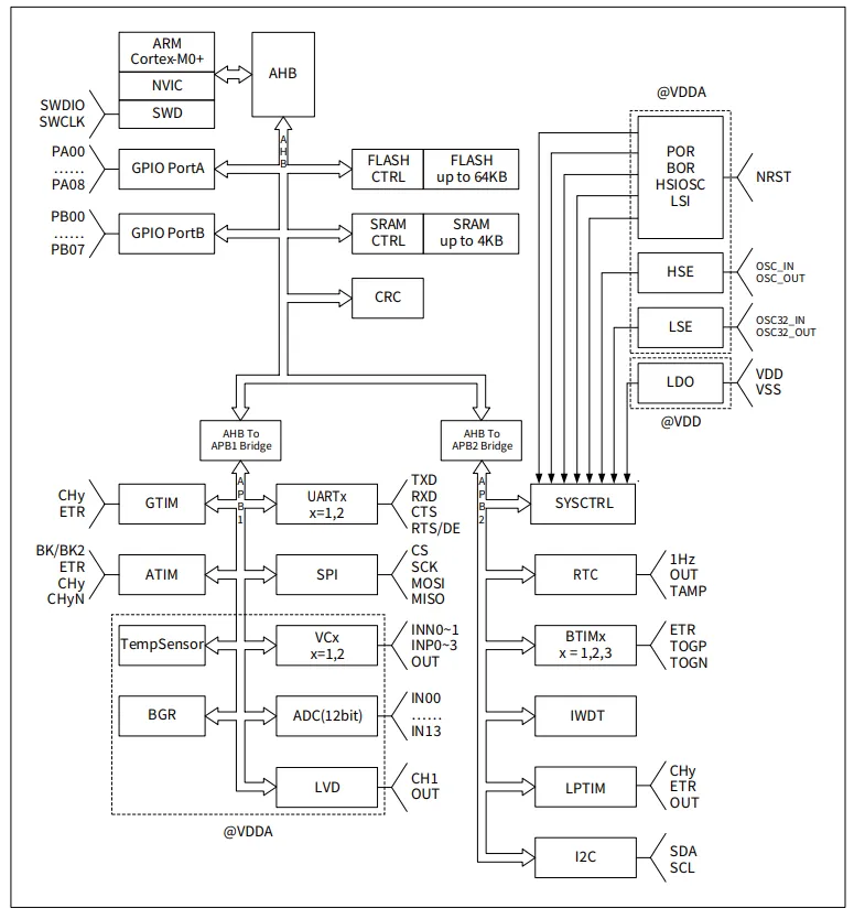
注:CW32L010内部框图
CW32L010 可以在 -40℃到 85℃的温度范围内工作,供电电压宽达 1.62V ~ 5.5V。支持 Sleep 和 DeepSleep两种低功耗工作模式CW32L010 可以在 -40℃到 85℃的温度范围内工作,供电电压宽达 1.62V ~ 5.5V。支持 Sleep 和DeepSleep两种低功耗工作模式。
CW32L010系列产品提供 QFN20、TSSOP20、SOP16 三种不同的封装形式,不同封装的产品所能实现的功能有所不同,具体情况如下表所示:

注:CW32L010 家族产品功能列表
随着国产品牌在技术上的成熟,高速风筒市场迎来了飞速的增长,这对风筒方案的成本控制提出更高的要求。武汉芯源半导体的CW32L010系列产品是基于华虹半导体最新的90nm超低漏电嵌入式闪存工艺,极其出色的性能和更合理的价格定位,为用户带来了极具竞争力的选择,实现了高性能与低成本的完美结合。