时间:2023-07-12 11:30
人气:
作者:admin
前些天有网友留言询问如何画三相桥式全控整流电路,一直没时间回复。今天得闲在家,给大家介绍一下如何来画。

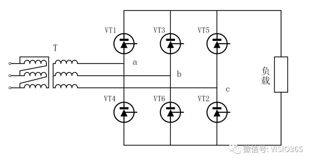
上图是一个三相桥式全控整流电路原理图,大部分图形元件在VISIO自带的图形库中都能找到,下面来看看如何找出我们需要的绘图元件。
首先是整流电路的主角——可控硅。它在这里:
更多形状 - 工程 - 电气工程 -半导体和电子管
左侧图形库中的受控整流器就是可控硅,这里我已经把它拖到绘图区域了。

同样地,可以在 更多形状 - 工程 - 电气工程 -变压器和绕组中可以找到变压器绕组的图形。
左侧图形库中的电感器可以用来当作变压器绕组,这里我已经把它拖到绘图区域了。这里发现电感器的线条比较细,和可控硅图形比起来不太协调,这个问题不大,后续我们可以在线条选项中把宽度适当调整一下。

接下来就是复制粘贴和排列组合了。
先复制出6个可控硅图形出来,调整好位置。

可控硅位置基本上对整齐了,至于编号名称等,都是可以双击后更改的,位置也是能调整的。
接着用线条工具把可控硅图形连接起来。

基本上完成了一半,接下来画变压器绕组。同样是复制粘贴和调整位置的活。

连接初、次级绕组:

基本上完工了,剩下的就是添加一些文字标签了。
最终成品图如下:
