时间:2023-05-16 09:15
人气:
作者:admin
英飞凌 IGBT 模块的说明
模组有哪些种类与型式?
为什么需要模组?
什么时候需要用到模组?
我该选用模组或是单管?
我的应用空间是否足够?
模组有哪些种类与型式?
……
以上,都是工程师在面对新的专案的时候常常会面对到的问题。
本篇先仅就IGBT module几项重要参数进行说明,以便工程师可以在设计前期有一些选型的参考依据标准。
首先我们先来了解IGBT 模组的datasheet 标示含义:
Data Sheet 上的标示说明:

型号名称
数据表的第一部分以模块的型号命名开始,如下图所示:


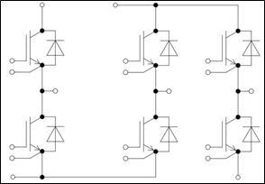
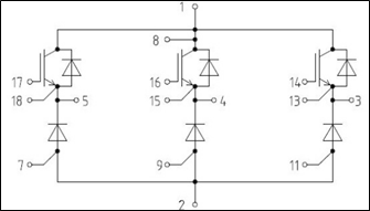
Module Topology(模组内部电路图拓朴)

常用的几种包装的内部拓朴:
◊ FF(Dual Switch):


◊ FZ(Single Switch):


◊ FS(3phas Full Bridge—Sixpack):

◊ FP(Power integrated Module)

◊ F4(H Bridge):

◊ F3L(3-Level one leg IGBT module)

◊ DF(Booster)

◊ FD (Chopper configuration)

◊ 电流等级与工作电压:

06=600V ,
07=650V ,
12=1200V,
17=1700V
◊ 功能性(Functionality):

R:Reverse conducting,
S:Fast diode,
T:Reverse blocking.
◊ 包装机械构造(Mechanical construction)

K: Mechanical construction.
H: Package: IHM / IHV B-Series.
IPrimePACK
M:Econo Dual
N1~3:EconoPACK 1~3
O:EconoPACK+
P: EconoPACK4
U1~3Smart 1~3
V:Easy 750
W1~3:EasyPACK, EasyPIM 1~3
※有关包装尺寸与图片将以另行篇幅描述
◊ 芯片类型Chip Type

F:Fast switching IGBT chip
H:High speed IGBT chip
J:SiC JFET chip
L:Low Loss IGBT chip
S:Fast trench IGBT chip
E:Low Sat & fast IGBT chip
T:Fast trench IGBT
P:Soft switching trench IGBT
※有关芯片类型与应用场合将以另行篇幅描述
◊ 模组特性(Particularity of the module)

C:With Emitter Controlled-Diode
D:Higher diode current
F:With very fast switching diode
G:Module in big housing
I:Integrated cooling
P:Pre-applied thermal interface material
R:Reduced numbers of pins
T:Low temperature type
-K:Design with common cathode
※有关模组特性将与芯片类型以另行篇幅描述
◊ 结构变化Construction variation

B1~n: Construction variation
S1~n: Electrical selection
末:
Infineon 的IGBT Module 种类齐全且多样、丰富,但也不一定都是热门且库存稳定,若无从下手,或是希望能够避免花了时间选型选到非大宗用料,欢迎拨冗与SAC的业务或PM 取得联系。
<本篇未完,待续> 敬请关注后续更新!