时间:2022-06-02 11:04
人气:
作者:admin
随着中国消费水平日益提升,玩具行业呈现一个爆发式的增长,玩具车当属其中的佼佼者。虽然传统玩具车的构造并不是很复杂,但要是想要兼顾性能和成本,还是需要下不少的功夫。玩具车基本原理设计包含主控(MCU)、电源管理、电机等部分,如下图所示:

其中,电机部分作为整个系统的核心部分,其设计尤为需要重视。在玩具车应用中,常用到直流有刷电机。在一些大动力应用如越野型小车,其电机驱动电流一般较大,常常接近1A。若采用传统的分立式设计,器件间的差异性会导致系统不可靠,也会提升故障率。
CN8001是芯北科技的低功耗H桥电机驱动芯片,功能非常完善,可驱动一个直流电动机,一个步进电动机的绕组或其他负载。芯片极大地简化了工程应用和电路设计,为产品快速设计落地提升效率。
对比德州仪器(TI)的DRV8837,CN8001拥有相近的性能和巨大的成本优势。同时,CN8001拥有DFN2x2-8、SOT23-6、SOP-8、ESOP-8多种封装,可以Pin to Pin兼容同封装DRV8837,方便工程师进行方案的快速切换,节约研发成本。
针对大电流电机的应用需求,CN8001拥有高达0.8A的最大输出电流。其宽供电电压范围(2.7V~6V),也为更加多样的系统设计提供可能性。
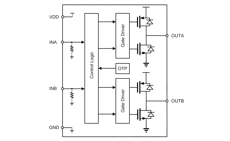
CN8001简化框图如下所示:

CN8001在本文应用的设计使用中需要注意如下几点:
1. 外部电流采样电阻必须要满足功率需求,精度至少要为±1%,不使用该功能必须接地。
2. 为了最优设计,PCBLayout要注意地的连续性,芯片需紧贴PPAD,PPAD下需有大面积铺地,逻辑驱动端建议采用低阻抗设计;地回路采用星型连接,采样电阻接地回路要短且单独走,避免其它干扰。
3. 电机控制部分与系统连接避免使用插接件连接,会影响外部电流采样精度。
随着市场越加火热,CN8001H桥电机驱动器在玩具车应用上将会更加具有高性价比,其后期市场占有率也将会更进一步。
审核编辑:汤梓红
上一篇:国产车用MCU市场现状解析
下一篇:关于STM32存储的堆栈地址