时间:2024-04-11 11:20
人气:
作者:admin
本文由ADI代理商骏龙科技工程师通过介绍理想电路和实际电路仿真,回顾开关波形,检查 PCB 布局,并使用理想的仿真模型,以确认当稳压器的开关频率较高时可使用的电子元件。
PART.01 设置电感和输出电容器常数
DC/DC 转换器的开关频率通常在 300~500KHz 之间,但逐渐流行开关频率为 1~2MHz 的产品,有些可达到 4MHz 或更高。高频 DC/DC 转换器能够减小输出电容和电感的尺寸以节省电路板空间,这是小型便携类产品的基本功能,但它们却很难在较高的开关频率下达到更低的电压。
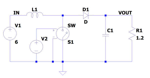
这次我们将使用 ADI LTspice 创建一个理想电路并验证其工作。如下图 (图1) 所示,使用电路构建输入电压为 6(V)、输出电压为 12(V)、负载电流为 10(A) 的升压转换器。使用该理想电路时,观察当开关频率为 2MHz 和 400KHz 时,计算并比较所用电感和输出电容的常数值变化幅度,之后可以检查当电路随计算常数移动时是否能够获得相同的特性。

图1 升压转换器电路
PART.02 选择电感器
在计算电感值前需要先计算 Duty 比,可参考使用下图 (图2) 所示公式。其中 Vo 为输出电压,VIN 为输入电压,VD 为二极管正向电压。

图2 Duty 比计算公式
接下来计算开关频率为 2MHz 的电感 (L1) 和开关频率为 400KHz 的电感 (L2)。计算公式如下图 (图3) 所示,其中 ΔIL 为负载电流的 40%。当开关频率为 2MHz 时,电感值约为 1/5,电感器的匝数减少。由此可见,高开关频率的优点是可以选择电感外形较小的元件。

图3 电感计算公式
PART.03 选择输出电容
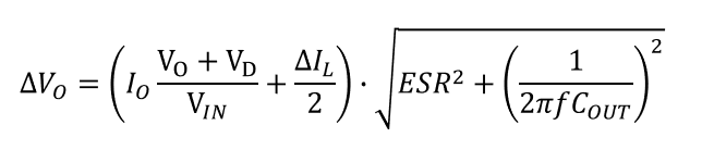
随后使用下图 (图4) 所示公式,计算输出电容值,这里的 ESR 指的是输出电容的 ESR,而输出电容由可接受的输出纹波值决定。

图4 输出纹波电压计算公式
这次我们将模拟理想状态下升压转换器的电路,将 ESR 为零的公式展开,可得出求输出电容公式,如下图 (图5) 所示:

图5 输出电容电容计算公式
根据公式计算了开关频率为 2MHz(Cout1) 的输出电容和400KHz(Cout2) 的输出电容,Cout1=18μF,Cout2=92μF,因此开关频率越高,电容越小。接下来可以通过仿真来检查计算出的电感器和输出电容器是否可以获得所需的输出电压。
PART.04 使用 LTspice 进行操作检查
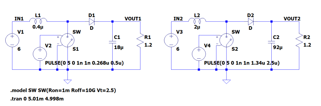
接下来通过 LTspice 验证使用上图 (图1) 中理想升压转换器电路中计算的电感和输出电容、在 2MHz 和 400KHz 的开关频率下是否可获得 12V 输出以及纹波电压是否相同。

图6 开关频率为 2MHz 和 4MHz 的升压稳压器电路
如下图 (图7) 所示为输出电压仿真,其中红色 (Vout1) 为开关频率为 2MHz 的结果,在 12V 输出电压下纹波约为 149mV,蓝色 (Vout2) 为开关频率为 400KHz 的结果,在 11.95V 输出电压下纹波约为 145mV。从这些结果可以看出,所选的电感器和输出电容器没有问题,并且在具有高开关频率的稳压器的情况下,可以选择附近使用的电感器和电容器等小元件。

图7 输出电压波形图
但是需要检查如下图 (图8) 所示的各种电流波形,蓝色电感电流具有低压摆率的特点,易于利用输入电容进行滤波。可以看出流过红色开关的电流和流过绿色输出电容的电流是具有快速压摆率的 PWM 电流波形,这种快速压摆率电流的 PCB 布局必须是经过仔细设计的。此次出于仿真目的,我们对 2MHz 和 400KHz 使用相同的压摆率进行仿真,但是在真实设备上,400MHz 的压摆率可能会比 2KHz 时更快。

图8 各种电流波形
PART.05 总结
本文通过仿真实验,说明当处理稳压器开关频率越高,稳压器中使用的相互作用器和电容器的尺寸就越小。然而高开关频率也伴随着挑战,例如开关损耗增加、高开关节点压摆率和高电流压摆率,也很难找到合适的 MOSFET。MOSFET 必须具有足够低的导通电阻,以最大限度地降低导通损耗并实现快速开关。PCB 上元件的放置和布线应考虑 PCB 的寄生电感,敏感节点不应允许噪声传播。
审核编辑:黄飞
上一篇:学起来!做PCB设计师中最靓的崽
下一篇:浅谈PCB设计中铺铜的必要性