时间:2024-11-05 17:45
人气:
作者:admin
USB Type-C 简介
USB Type-C (USB-C) 是一种用于设备连接和充电的通用连接标准。作为 USB 接口的最新发展,USB-C 具有多种优势,包括可逆插头方向、更高的数据传输速率和功率输出能力。此外,USB Type-C可以传输音频和视频信号,并兼容显示器、外部存储设备和充电器等各种配件。

USB Type-C 的特点
可逆插头方向:与传统 USB 接口不同,USB Type-C 可以以任何方向插入,无需担心方向。
高速数据传输:USB Type-C 支持更高的数据传输速率,达到 USB 3.1 和 Thunderbolt 3 的速度,实现快速文件传输和视频播放。
功率输出:USB Type-C支持更高的功率输出,能够为笔记本电脑、平板电脑等大功率设备充电。
多功能性:USB Type-C 可以传输音频和视频信号,支持显示器、外部存储设备和充电器等各种配件。
信号图标
USB Type-C 连接器有 24 个引脚。下面的两张图分别显示了 USB Type-C 插座和插头的引脚。

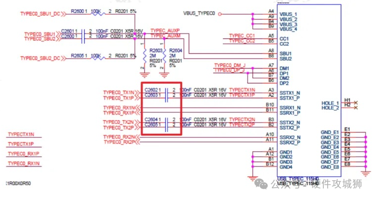
USB Type-C 接口的 PCB 设计要求
USB Type-C 布局设计:
● ESD 和共模电感元件应按以下顺序放置在Type C 接口附近:ESD → 共模电感→ 电容。与 C 型保持一定距离,以考虑焊接后的情况。
● TX 信号线的耦合电容应放置在接口附近,而RX 信号线的耦合电容则放置在设备端。

● 稳压器也应尽可能靠近连接器放置。
路线设计:
为防止信号干扰,建议高速USB差分线和数字信号线远离走线,尽量减少高速USB信号线上过孔和拐角的使用,保持阻抗控制,防止信号反射。
禁止使用90°走线拐角;相反,使用两个 45° 角或圆弧来减少信号反射和阻抗不连续性。
避免将信号线放置在晶体振荡器、晶体、时钟合成器、磁性器件和时钟乘法器 IC 下方。避免使用短桩,如有必要,请确保它们的长度不超过 200 密耳。
尽可能在同一层布线高速信号线。确保走线的返回路径具有完整的、未分段的镜像平面,最好选择 GND 平面。避免走线跨越镜像平面分割线,以减少电感和信号辐射。
CC1和CC2是两个重要的引脚,具有多种功能,包括电缆连接和移除检测、插座/插头方向检测和电流广播。布线这些引脚时需要粗体布线。
下图说明了 CC1 和 CC2 引脚如何指示插座/插头方向。在此图中,DFP 代表 Downstream Facing Port,充当数据传输的主机或电源。UFP代表Upstream Facing Port,连接到主机或电力消费设备。

差分信号走线:
Type C差分走线的阻抗控制为90欧姆±10%。保持阻抗连续性、确保良好的参考平面而不交叉分割至关重要,并将信号过孔层变化的数量限制为不超过 2 个。
缩短与高速时钟线和交流信号线平行的高速 USB 信号线的长度,或增加它们之间的间距,以最大限度地减少串扰。
确保差分信号线与其他信号走线之间的间距至少为 50 mil。采用紧耦合模式,通过软件计算确定具体的走线间距和宽度。
保持差分信号一致的间距和长度匹配,最大长度差为 200 密耳。

CC1和CC2是两个重要的引脚,具有多种功能,包括电缆连接和移除检测、插座/插头方向检测和电流广播。布线这些引脚时需要粗体布线。
下一篇:PCB布局与电源如何设计