时间:2023-11-15 15:09
人气:
作者:admin
什么是地面弹跳?
地弹是一种噪声,当 PCB 接地和芯片封装接地电压不同时,晶体管开关期间会出现这种噪声。
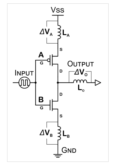
为了帮助解释接地弹跳的概念,请以下面的推挽电路为例,该电路可以提供逻辑低或逻辑高输出。

图 1. 推挽电路
该电路由两个 MOSFET 组成:上方的 p 沟道 MOSFET 的源极连接到 Vss,漏极连接到输出引脚。下部 n 沟道 MOSFET 的漏极连接到输出引脚,源极接地。
这两种 MOSFET 类型对 MOSFET 栅极电压具有相反的响应。MOSFET 栅极处的输入逻辑低信号将导致 p 沟道 MOSFET 将 Vss 连接到输出,并导致 n 沟道 MOSFET 将输出与 Gnd 断开。MOSFET 栅极处的输入逻辑高信号将导致 p 沟道 MOSFET 将其 Vss 与输出断开,并导致 n 沟道 MOSFET 将输出连接到 Gnd。
将 IC 芯片上的焊盘连接到 IC 封装的引脚上的是微小的键合线。这些机械必需品具有少量电感,由上面的简化电路建模。电路中当然也存在一定量的电阻和电容,这些电阻和电容没有建模,也不一定需要理解以下概述。
全桥开关的等效电路中显示了三个电感器。电感符号代表封装电感(IC封装设计固有的电感),电路输出连接到一些元件(不允许悬空)。
想象一下输入在很长一段时间后保持在逻辑低电平后遇到这个电路。这种状态会导致上部晶体管通过上部 MOSFET 将电路的输出连接到 Vss。经过适当长的时间后,L O和L A中将存在稳定的磁场,并且ΔV O、ΔV A和ΔV B的电势差为0伏。迹线中将存储少量电荷。
一旦输入逻辑切换到低电平,上部 MOSFET 就会断开 Vss 与输出的连接,下部栅极将触发下部 MOSFET 将电路的输出连接到 GND。
这就是有趣的事情发生的地方——此时输入逻辑发生变化,结果在整个系统中移动。
地面弹跳的原因
输出和接地之间的电位差导致电流从输出通过下部 MOSFET 向下移动到接地。电感器利用存储在磁场中的能量在 ΔV O和 ΔV B之间建立电势差,试图抵抗磁场的变化。
即使它们是电气连接的,输出和接地之间的电位差也不会立即处于 0 V。请记住,输出之前处于 Vss,而 MOSFET B 的源极之前处于 0 V 电位。当输出线放电时,先前的电位差将导致电流流动。
在电流开始从输出流向接地的同时,封装的电感特性在 ΔV B和 ΔV O之间产生电势差,以尝试维持先前建立的磁场。
电感器 L B和 L O改变 MOSFET 源极和漏极电势。这是一个问题,因为 MOSFET 栅极电压以芯片封装上的地为参考。当电路在栅极触发阈值附近振荡时,输入电压可能不再足以保持栅极打开或导致其多次打开。
当电路再次切换时,一组类似的情况将导致在 ΔVA 上建立电势,从而将 MOSFET A 的源极电压降低到触发阈值以下。
为什么地面弹跳不好?
当输入改变状态时,输出和 MOSFET 不再处于定义的状态——它们介于两者之间。结果可能是错误切换或双重切换。此外,IC 芯片上共享相同 Gnd 和 Vss 连接的任何其他部件都将受到开关事件的影响。
但地弹的影响不仅限于 IC 芯片。正如 ΔVB 迫使 MOSFET 源极电势高于 0V 一样,它也迫使电路 Gnd 电势低于 0V。您看到的大多数描述反弹的图像都显示了外部影响。
如果同时切换多个门,则效果会更加复杂,并可能完全破坏您的电路。
您可以在下面的示例中看到反弹。
图 2 显示了连接并激活 LightCrafter Cape 的 BeagleBone Black 计算机的信号线中的显着 Gnd 和 Vss 反弹。
这 里,开关期间在 3.3V 线路上产生约 1V 的噪声,该噪声在终落入背景线路噪声之前继续在信号线路中明显谐振。

图 2.连接并激活 LightCrafter 帽的 BeagleBone Black 信号线。
噪声不仅限于正在开关的门。开关门连接到 IC 电源引脚,而 PCB 通常共享公共电源和接地轨。这意味着噪声可以通过芯片上的 Vss 和接地的直接电气连接或 PCB 上走线的耦合轻松传递到电路中的其他位置。

图 3.该图像是从附有 LightCrafter 斗篷的 BeagleBone Black 捕获的。
在图 3 中,通道 2(上面以青色显示)显示无阻尼信号线中的接地和 Vss 反弹。该问题非常严重,以至于它会传送到通道 1 上的另一条信号线(以黄色显示)。
减少接地弹跳的方法:PCB 设计技巧
方法#1:使用去耦电容器来定位接地弹跳
减少地弹的解决方案是在每个电源轨和地之间安装 SMD 去耦电容器,并尽可能靠近 IC。远处的去耦电容器具有很长的走线,会增加电感,因此将它们安装在远离 IC 的地方对自己没有任何好处。当 IC 芯片上的晶体管切换状态时,它们将改变芯片上晶体管和本地电源轨的电位。
去耦电容器为 IC 提供临时、低阻抗、稳定的电位,并限制反弹效应,以防止其扩散到电路的其余部分。通过使电容器靠近 IC,可以限度地减少 PCB 走线中的电感环路面积并减少干扰。
给新设计师的注意事项:去耦电容器并不总是显示在原理图上,有时也不会在数据表中提及。这并不意味着设计不需要它们。去耦电容器被认为是成功设计的基础,以至于作者会假设您知道需要它们,有时会从原理图中删除它们以减少混乱。选择 100 nf (0.1 uF) X7R 或 NP0 陶瓷,除非数据表另有指示。
混合信号 IC 通常具有独立的模拟和数字电源引脚。您应该在每个电源输入引脚上安装去耦电容器。 电容器应位于 IC 和连接到 PCB 上相关电源层的多个过孔之间。

去耦电容器应通过过孔连接到电源层。
多个过孔是,但由于电路板尺寸要求,通常是不可能的。如果可以的话,使用铜浇注或泪滴来连接过孔;如果钻头稍微偏离中心,额外的铜有助于将过孔连接到走线。

上图所示为 IC (U1) 和四个电容器(C1、C2、C3、C4)的铜焊盘。C1和C2是用于高频干扰的去耦电容器。根据数据表建议将 C3 和 C4 添加到电路中。由于其他平面的限制,过孔放置并不理想。
有时,在物理上不可能将去耦电容器放置在靠近 IC 的位置。但是,如果将其放置在远离 IC 的地方,则会产生电感环路,从而使地弹问题变得更糟。幸运的是,这个问题有解决方案。
去耦电容器可以放置在 IC 下方电路板的另一侧。
而且,在绝望的情况下,您可以使用相邻层上的铜在板内制造自己的电容器。这些电容器被称为嵌入式平面电容器,由 PCB 中由非常小的介电层隔开的平行铜浇注组成。这种类型电容器的额外好处之一是的成本是设计人员的时间。
方法#2:使用电阻器限制电流
使用串联限流电阻来防止过量电流流入和流出 IC。
这不仅有助于降低功耗并防止设备过热,而且还能限制从输出线通过 MOSFET 流向 Vss 和 Gnd 轨的电流,从而减少接地反弹。
方法#3:使用布线来降低电感
保留在相邻走线或相邻层上。由于存在厚芯材料,电路板上第 1 层和第 3 层之间的距离通常是第 1 层和第 2 层之间距离的几倍。信号和返回路径之间任何不必要的分离都会增加该信号线的电感以及随后的地弹效应。
让我们评估一个现实世界中的电路板示例。在下图中,您可以看到 Arduino Uno 的 PCB 布局。

模拟和数字 接地 分别以白色和黄色突出显示。
正如您所看到的,该板具有单独的模拟和数字接地返回引脚,这很好。然而,电路板的布局抵消了将它们分开的任何积极影响。IC 的数字接地引脚与接头排上的接地引脚之间没有清晰且直接的路径。
信号将通过 IC 的迂回路径到达接头引脚,并通过接地引脚返回迂回路径。由于 Arduino Uno 是的电路板之一,因此这是“如何布局电路板并不重要”的示例。
通过编程和设计考虑来减少接地弹跳
随着开关门数量的增加,地弹干扰也会增加。如果在您的设计中可能的话,请以短延迟偏移开关门。
例如,您的设计可能会以不同的时间间隔(1 秒、2 秒、3 秒等)闪烁各种 LED,以指示设计的状态。当所有三个 LED 同时切换时,地弹效应对电路的影响。
在此示例中,您可以通过稍微偏移 LED 来减轻地弹的影响,使它们不完全同步。在 LED 之间引入 1 毫秒的偏移对于用户来说是感觉不到的,但会将地面反弹效应降低约 3 倍。
下一篇:关于印制电路板的设计及技巧