时间:2023-11-21 11:59
人气:
作者:admin
电源系统设计工程师总想在更小电路板面积上实现更高的功率密度,对需要支持来自耗电量越来越高的FPGA、ASIC和微处理器等大电流负载的数据中心服务器和LTE基站来说尤其如此。为达到更高的输出电流,多相系统的使用越来越多。为在更小电路板面积上达到更高的电流水平,系统设计工程师开始弃用分立电源解决方案而选择电源模块。这是因为电源模块为降低电源设计复杂性和解决与DC/DC转换器有关的印刷电路板(PCB)布局问题提供了一种受欢迎的选择。
本文讨论了一种使用通孔布置来化双相电源模块散热性能的多层PCB布局方法。其中的电源模块可以配置为两路20A单相输出或者单路40A双相输出。使用带通孔的示例电路板设计来给电源模块散热,以达到更高的功率密度,使其无需散热器或风扇也能工作。

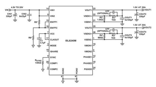
图1:包括两个20A输出的ISL8240M电路
那么该电源模块如何才能实现如此高的功率密度?图1电路图中显示的电源模块提供仅有8.5°C/W的极低热阻θ,这是因为其衬底使用了铜材料。为给电源模块散热,电源模块安装在具有直接安装特性的高效导热电路板上。该多层电路板有一个顶层走线层(电源模板安装于其上)和利用通孔连接至顶层的两个内埋铜平面。该结构有非常高的导热系数(低热阻),使电源模块的散热很容易。
为理解这一现象,我们来分析一下ISL8240MEVAL4Z评估板的实现(图2)。这是一个在四层电路板上支持双路20A输出的电源模块评估板

图2:ISL8240MEVAL4Z电源模块评估板
该电路板有四个PCB层,标称厚度为0.062英寸(±10%),并且采用层叠排列,如图3所示。

图3:ISL8240M电源模块使用的四层0.062”电路板的层叠排列
该PCB主要由FR4电路板材料和铜组成,另有少量焊料、镍和金。表1列出了主要材料的导热系数。

SAC305* 是的无铅焊料,由96.5%锡、3.0%银和0.5%铜组成。 W = 瓦特,in = 英寸,C = 摄氏度,m = 米,K =开氏度
我们使用式1 来确定材料的热阻。

式1:计算材料的热阻
为确定图3中电路板顶部铜层的热阻,我们取铜层的厚度(t)并除以导热系数与截面积之积。为计算方便,我们使用1平方英寸作为截面积,这时A=B=1英寸。铜层的厚度为2.8密耳(0.0028英寸)。这是2盎司铜沉积在1平方英寸电路板区域的厚度。系数k是铜的W/(in-°C)系数,其值等于9。因此,对于这1平方英寸2.8密耳铜的热流,热阻为0.0028/9=0.0003°C/W。我们可使用图3显示的每层尺寸和表1中的相应k系数,来计算每层1平方英寸电路板区域的热阻。结果如图4所示。

图4:1平方英寸电路板层的热阻
从这些数字,我们可知33.4密耳(t5)层的热阻是的。图4中的所有数字显示了从顶层至底层的这四层1平方英寸电路板的总热阻。如果我们添加一个从电路板顶层至底层的通孔连接会怎样?我们来分析添加该通孔连接的情况。
电路板使用的通孔的成孔尺寸约为12密耳(0.012英寸)。制造该通孔时先钻一个直径为0.014英寸的孔,然后镀铜,这会在孔内侧增加约1密耳(0.001英寸)厚的铜壁。该电路板还使用了ENIG电镀工艺。这在铜外表面上增加约200微英寸镍和约5微英寸金。我们在计算中忽略这些材料,只使用铜来确定通孔的热阻。
式2是计算圆柱形管热阻的公式。

式2:计算圆柱形管热阻
变量l是圆柱形管的长度,k是导热系数,r1是较大半径,r0是较小半径。
对12密耳(直径)成孔使用该式,我们有r0=6密耳(0.006英寸)、r1=7密耳(0.007英寸)和K=9(镀铜)。

图5:12密耳通孔的表面尺寸
变量l是通孔的长度(从顶面铜层到底面铜层)。电路板上焊接电源模块的地方没有阻焊层,但对其他区域,PCB设计工程师可能要求在每个通孔的顶部放置阻焊层,否则通孔上面的区域会空缺。由于通孔只连接外铜层,所以其长度为63.4密耳(0.0634英寸)。总通孔长度本身的热阻是167°C/W,如式3所示。

式3:计算一个通孔(12密耳)的热阻
图6列出了连接电路板各层的每段通孔的热阻。

图6:连接电路板各层的通孔段的热阻
请注意,这些值只是一个通孔本身的热阻,并未考虑穿过电路板的每一段与围绕它的材料是横向连接的。
如果我们分析图4中各个电路板层的热阻值,并将它们与一个通孔的热阻值进行比较,似乎该通孔的热阻比每层的热阻高很多,但是请注意,一个通孔只占1平方英寸电路板区域的1/5000不到。如果我们决定比较更小的电路板区域,比如0.25英寸x0.25英寸(这是前面电路板区域的1/16),则图4中的每个热阻值将增加到原来的16倍。例如,t4和33.4密耳厚FR4层的热阻会从5.21875°C/W增加至83.5°C/W。仅对该0.25英寸x0.25英寸区域添加一个通孔就会使穿过该33.4密耳FR4层的热阻减少近一半(83.5°C/W和90.91°C/W)。0.25英寸x0.25英寸方块的面积是一个通孔的面积的约400倍。那么如果在该区域布置16个通孔会怎样?与一个通孔相比,所有平行通孔的有效热阻将减小16倍。图7比较了各个0.25英寸x0.25英寸电路板层与16个通孔的热阻。0.25英寸x0.25英寸电路板的33.4密耳厚FR4层的热阻为83.5°C/W。16个平行通孔具有5.6821°C/W的等效热阻。
这16个通孔只占0.25英寸x0.25英寸电路板区域面积的不到1/25,但可显著减小从顶面到低层的热阻连接。

图7:热阻值比较
请注意,当热向下流过通孔并达到另一层时,特别是另一个铜层时,其将横向扩散到该材料层。添加越来越多通孔终会降低效果,因为从一个通孔横向扩散到附近材料的热终会与来自另一个方向(源自从另一通孔)的热相遇。ISL8240MEVAL4Z评估板的尺寸是3英寸x4英寸。电路板上的顶层和底层有2盎司铜,还有两个内层各包含2盎司铜。为使这些铜层发挥作用,电路板有917个12密耳直径的通孔,它们全都有助于将热从电源模块扩散到下面的铜层。
结束语
为适应电压轨数目的增多和更高性能的微处理器和FPGA,诸如ISL8240M电源模块等先进的电源管理解决方案,通过提供更大功率密度和更小功耗来帮助提高效率。通孔在电源模块电路板设计中的实现,已成为实现更高功率密度的一个越来越重要的因素。
下一篇:pcb焊接种类知识介绍