时间:2023-10-18 10:21
人气:
作者:admin
目前,兼顾功能和价格两方面,大量的中、高档便携式电子产品已经广泛使用LCD作为其显示输出设备,例如智能玩具、各种仪表和电池供电设备等。而显示驱动芯片是面板的主要控制元件之一,显示驱动芯片是通过电信号的形式向显示面板发送驱动信号和数据,继而实现对屏幕亮度和色彩的控制,使得像字母、图片等图像信息得以在屏幕上显示出来。
一套完整的显示驱动解决方案一般由栅极驱动器、源极驱动器、时序控制芯片、显示器电源管理芯片组成。栅极驱动器和源极驱动器统称为显示驱动芯片。

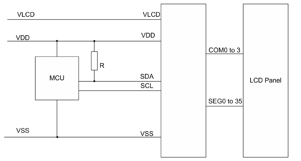
CN90C4S40典型应用图
芯北科技CN90C4S40作为一款通用型液晶驱动芯片,具有4COM和36SEG共144点的控制能力,适用于常用低占空比的字符、数字式液晶屏幕。其具有兼容多数微机系统的双向二线式串行总线通讯接口。该款产品目前可稳定供应,替代上海贝岭的BL55066/BL55080、恩智浦的PCF85176AU、天微的TM1621B以及合泰的HT1621B等。

CN90C4S40封装
CN90C4S40应用特征及参数:
•固定的1/4占空比模式,最多144点;
•超低低功耗设计,典型带屏情况下,最低工作电流可低至6uA;
•宽工作电压范围:2.0~5.5V;
•4×36共144位的显示数据存储器;
•TSSOP48封装;
•内置OSC电路;内部LCD对比度控制电路;
•集成上电复位电路,无需外部组件;
•接口:2线串口;
•与TTL/CMOS兼容;
•高EMC抗扰度;
注:如涉及作品版权问题,请联系删除。
上一篇:电动汽车BMS PCB设计的要点
下一篇:PCB设计原则和抗干扰措施