时间:2023-01-04 10:41
人气:
作者:admin
在自然界中,一切物体都会辐射红外线,因此利用探测器测定目标本身和背景之间的红外线差,可以得到不同的红外图像,称为热成像。
红外热成像仪通过被动接收物体发出的8-14 μm长波红外波段的辐射信号,利用光电技术将该信号转换成可供视觉分辨的红外图像,并计算出温度数值,将物体的温度分布状态直观地表现出来,该方案需要用到高频且宽动态范围的信号进行数字化处理的模数转化器,本文重点提到地芯科技低功耗14位25MSPS双通道模数转换器GAD2263在热成像仪中的应用。

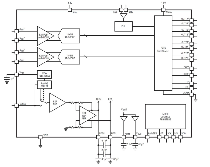
地芯科技GAD2263是一款双通道、同步采样14位模数转化器,其动态性能指标高达74dB信噪比和90dB无杂散动态范围;静态性能指标达到±1LSB INL,±0.3LSB DNL和无失码。转换噪声低至 1.2LSBRMS 。
GAD2263的数字输出为串行LVDS,最大限度地减少了数据线的数量。每个ADC通道可以选择通过两路LVDS输出(“双线道”模式)或通过一路LVDS输出(“单线道”模式)。芯片内部集成一个时钟占空比稳定器,使其在全速时钟频率下即便面对较大的占空比波动范围时亦能保证优异的整体性能。

地芯科技双通道模数转换器GAD2263在热成像仪中的应用优势如下:
•2通道同步采样A/D
•低功耗94mW(总值),47mW(每通 道)
•1.8V单电压供电
•串行LVDS输出:每个通道1路或2路
•可选输入范围:1VP-P至2VP-P
•800MHz满功率带宽S/H(采样及保持)
•串行SPI端口用于编程配置
•封装:40管脚(6mm×6mm)QFN封装
综上所述,地芯科技GAD2263非常适用于热成像仪中,目前国芯思辰有非常充足的地芯科技GAD2263库存,该产品价格也非常有优势,如需样品,可以在国芯思辰官网进行申请。
注:如涉及作品版权问题,请联系删除。