时间:2023-01-16 09:56
人气:
作者:admin
在设计消费类电子行业中,同步降压转换器的应用不计其数。同步降压转换器是将电压从较高的电平降至较低的电平,可以高效率、小的热负荷、低成本来实现降压转换。本文重点提到芯北科技同步降压转换器CN2020在无线路由器中的应用电路。

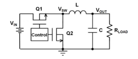
同步降压转换器电路图
芯北科技同步降压转换器CN2020是一款脉宽调制式同步降压转换器。内部集成高侧(90mΩ)和低侧(70mΩ)两个功率MOS管,较低的导通内阻可以优化产品的输出效率,通过使用内部补偿电压控制高侧MOSFET的关断和低侧MOSFET的开启,实现对电流模式的控制。芯片在4.5~18V宽输入电压范围内可以持续提供2A输出电流,并具有出色的负载调整率和线性调整率,该款降压转换器CN2020应用于无线路由器中主要优势如下:
1、芯北科技CN2020最大输出电流为2A,输入电压在4.5V~18V的范围,以满足大多电源设计需求;
2、芯北科技CN2020集成了90/70mΩ功率MOS 管;
3、芯北科技CN2020转换效率高达96%;
4、芯北科技CN2020电压反馈为0.6V±2% ,开关频率500KHz;
5、芯北科技CN2020低ESR陶瓷电容有利于稳定输出;
6、芯北科技CN2020内置OCP、OVP、UVLO 和TSD功能;
7、芯北科技CN2020提供SOT23-6 封装,芯片在工作仅需极少的外部器件。

芯北科技CN2020提供两种工作模式。电流模式下提供快速的瞬态响应并保持环路稳定;轻负载模式可以增强芯片在轻负载条件下的转换效率。在电源保护方面具有多重故障保护功能,包括逐周期电流限制,过压保护,过流保护,欠压锁定和热关断等。使芯北科技CN2020可以轻易的应用在低成本的直流降压电源的应用中。
注:如涉及作品版权问题,请联系删除。